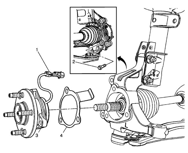
I am curious if I will need to compress any springs or need any special equipment to replace a wheel bearing? I saw a YouTube video on how to replace it and it seemed straight forward until someone mentioned I might need to compress some suspension springs to do it? Any advice you can give?
Jul 19, 2016 at 11:40 AM
