Fuel delivery

2011 CADILLAC SRX
87,000 MILES • V6 • 2WD • AUTOMATIC
Avatar
JAYLABIT
  • MEMBER
  • 2 POSTS
So I am working on my car the fuel pump went out, we dropped the tank and replaced it and can hear it cycling the fuses and relays are good. The car cranks and fires and will run for a split second using starter fluid. This car has me mind boggled. Any tips?
Jun 1, 2018 at 8:08 AM
Advertisement
Avatar
PATENTED_REPAIR_PRO
  • CERTIFIED EXPERT
  • 1,853 POSTS
If the fuel pump is running, then perhaps the problem is not with the fuel pump.
Since it does start with the starting fluid, that means it has spark, so the ignition is just fine.
That leaves either a security issue or the fuel injectors not working, so if there is a security light on or flashing, try a spare key, but if not, check the fuel injector fuse/s, make sure there is no crankshaft position sensor codes stored in memory and/or check if the fuel injectors pulse off and on when cranking the starter/engine over.
Jun 1, 2018 at 8:23 AM
Avatar
JAYLABIT
  • MEMBER
  • 2 POSTS
Injectors are good so is spark. I am checking the high pressure pump now.
Jun 1, 2018 at 9:22 AM
Advertisement
Avatar
PATENTED_REPAIR_PRO
  • CERTIFIED EXPERT
  • 1,853 POSTS
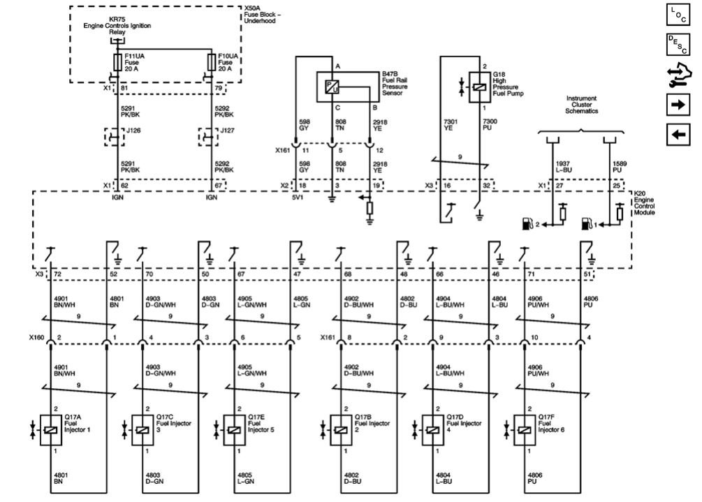
I was not aware this had two fuel pumps but after looking it up after you mentioned that, you are correct. Here is that high pressure fuel pump wiring diagram.
Jun 1, 2018 at 9:31 AM