Welcome to 2CarPros.
The injectors and the fuel float gauge are not related, so servicing the injection system will not help. If this is happening all the time, my first suspect is a bad connection or there is an issue with what is called a rheostat. It is part of the fuel level sensor. There is a float in the fuel tank which moves based on how much fuel is in the tank. When it moves, the rheostat changes how much power is sent to the engine control module which in turn sends a signal to the gauge.
Does this happen regardless of how much fuel is in the tank?
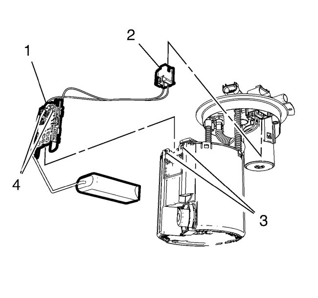
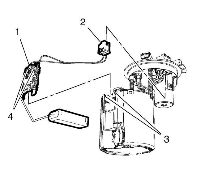
Also, I attached a picture of the fuel pump assembly which is in the fuel tank. On the assembly, you can see the fuel level sensor and the float I am referring to. Number 1 in the picture is the sensor.
Let me know if it happens regardless of the amount of fuel, if there is anything that changes the way it works, or anything you think of that may help me better diagnose. I would also like to know if you have access to what is called a live data scanner.
Take care,
Joe
Apr 5, 2019 at 7:23 PM