Fuel gauge not working properly

2010 CHEVROLET CAMARO
90,000 MILES • 3.6L • V6 • AUTOMATIC
Avatar
JOE BON
  • MEMBER
  • 2 POSTS
Hello, about a year and a half ago my fuel gauge started acting odd. It would be off but 1/4 a tank at most times. Sometimes it would be correct upon starting the car then dip suddenly. Last October my timing chain went and when that was fixed my gauges went back to normal. 2 months ago the issue returned and is acting same as before. What do you think is the issue, fuel sending unit? Thanks
Oct 21, 2020 at 7:26 PM
Advertisement
Avatar
ASEMASTER6371
  • CERTIFIED EXPERT
  • 52,796 POSTS
Good morning,

When you first turn the key to on in the morning, the dash does a self test and sweeps the gauges to test them. Can you see if the fuel gauges goes to full and empty and then settles to the correct level?

Most of the time, it is the sender unit but must be verified. How you can tell is to remove the connector for the fuel module. The gauge should go full in one direction. Then take a jumper wire and ground the wire to the sender and it should go full the other direction. If it passes that test, it is the sender unit itself.

I attached the wiring diagram of the sender unit for you. The color of the wire is marked for you in the diagram to be left open and grounded as I suggested.

https://www.2carpros.com/articles/how-to-check-wiring

Roy

Oct 22, 2020 at 5:54 AM
Avatar
JOE BON
  • MEMBER
  • 2 POSTS
It does do the sweeper. The only issue is the labor to drop the tank is pricey and it would make sense to just replace the entire fuel pump correct? I was quoted around $900.00 for the part and labor. The other concern was after some work being done before it worked properly. The explanation that was given to me was that being on a lift may have shook it up knocking the bobber into place. Does this sound reasonable? Thank you!!!
Oct 22, 2020 at 6:06 AM
Advertisement
Avatar
ASEMASTER6371
  • CERTIFIED EXPERT
  • 52,796 POSTS
It is possible.

As far as the repair, yes, the tank has to come down for the repair. There is no other way to access it.

The sender is part of the fuel pump module itself.

Roy

Fuel Tank Replacement

Removal Procedure

Danger: To avoid any vehicle damage, serious personal injury or death when major components are removed from the vehicle and the vehicle is supported by a hoist, support the vehicle with jack stands at the opposite end from which the components are being removed and strap the vehicle to the hoist.


Warning: Refer to Gasoline/Gasoline Vapors Warning (See: Fuel > Technician Safety Information).

Warning: Refer to Safety Glasses Warning (See: Vehicle > Technician Safety Information > Safety Glasses Warning).

1. Relieve the system fuel pressure. Refer to Fuel Pressure Relief (See: Fuel Pressure Release > Procedures).
2. Drain the fuel tank. Refer to Fuel Tank Draining (See: Fuel Tank > Procedures > Fuel Tank Draining).
3. Raise and support the vehicle. Refer to Lifting and Jacking the Vehicle (See: Vehicle Lifting > Procedures)
4. Remove the right rear wheel. Refer to Tire and Wheel Removal and Installation (See: Wheels and Tires > Removal and Replacement)
5. Remove the exhaust system for access. Refer to Exhaust Muffler with Resonator, Exhaust, and Tail Pipe Replacement (See: Muffler > Removal and Replacement > Exhaust Muffler with Resonator, Exhaust, and Tail Pipe Replacement).
6. Remove the propeller shaft. Refer to Two-Piece Propeller Shaft Replacement (See: Drive/Propeller Shaft > Removal and Replacement > Two-Piece Propeller Shaft Replacement).
7. Remove the park brake cables. Refer to Parking Brake Rear Cable Replacement (See: Parking Brake Cable > Removal and Replacement).

Support the rear suspension with a jack stand.
Remove the front support bolts.
Loosen the rear support bolts in order to slide the fuel tank out.
For tightening specifications, refer to Rear Suspension Support Replacement (See: Rear Cross-Member > Removal and Replacement).


imageOpen In New TabZoom/Print

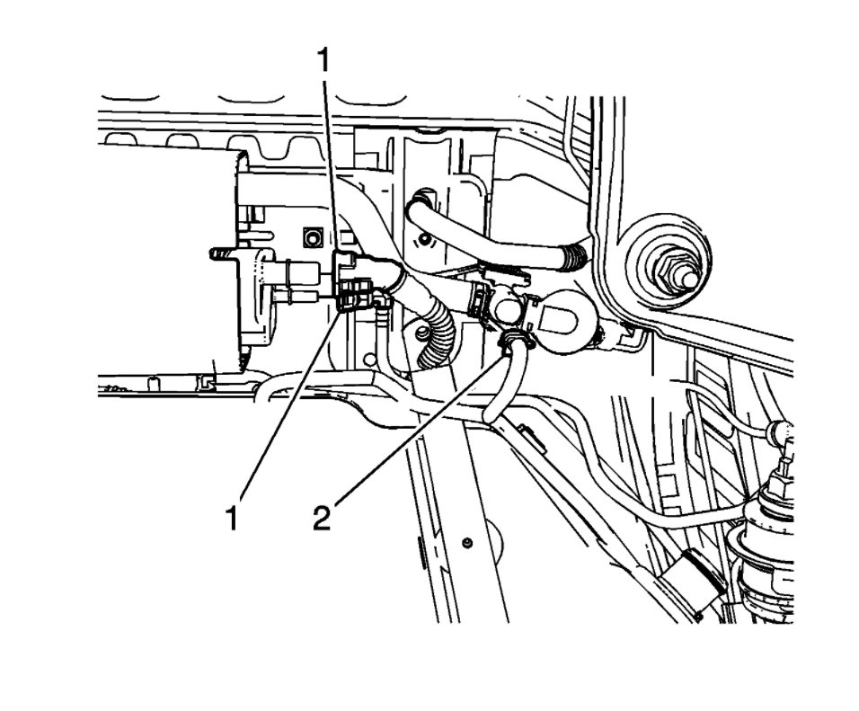
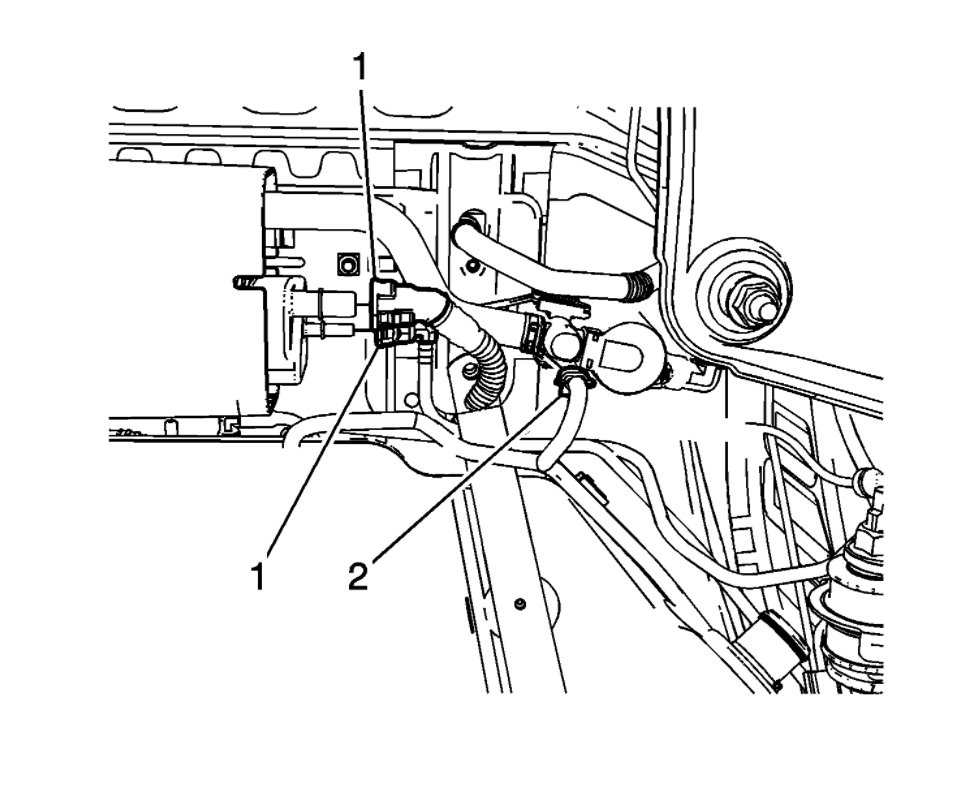
8. Disconnect the evaporative emission lines (1). Refer to Plastic Collar Quick Connect Fitting Service (See: Fuel Line Coupler > Removal and Replacement > Plastic Collar Quick Connect Fitting Service).
9. Disconnect the vent solenoid electrical connector (2).


imageOpen In New TabZoom/Print

10. Loosen the hose clamp (1) and remove the filler tube (2).
11. Disconnect the evaporative emission line (3). Refer to Plastic Collar Quick Connect Fitting Service (See: Fuel Line Coupler > Removal and Replacement > Plastic Collar Quick Connect Fitting Service).


imageOpen In New TabZoom/Print

12. Disconnect the fuel tank electrical connector (1).
13. Disconnect the fuel feed line (3) and evaporative emission line (2). Refer to Plastic Collar Quick Connect Fitting Service (See: Fuel Line Coupler > Removal and Replacement > Plastic Collar Quick Connect Fitting Service) and Metal Collar Quick Connect Fitting Service (See: Fuel Line Coupler > Removal and Replacement > Metal Collar Quick Connect Fitting Service).


imageOpen In New TabZoom/Print

14. Support the fuel tank with a suitable jack.
15. Remove the fuel tank strap bolts (1).
16. Remove the fuel tank.
17. Remove the following components if replacing just the fuel tank.

1. Fuel pump module. Refer to Fuel Tank Fuel Pump Module Replacement - Right Side (See: Fuel Pump > Removal and Replacement > Fuel Tank Fuel Pump Module Replacement - Right Side).
2. Fuel level sensor. Refer to Fuel Level Sensor Replacement - Left Side (See: Fuel Level Sensor > Removal and Replacement > Fuel Level Sensor Replacement - Left Side).
3. Transfer components as necessary.
Oct 22, 2020 at 6:23 AM