I have a no start problem with my car listed above XJ40/XJ6. I have good fuel pressure to the rail and good spark to the plugs. I have verified and re-verified that no gas is getting into the cylinders. I have checked all fuses and main relay, along with the other relays against the firewall.
I have another ECM (DBC10642) by LUCAS which I swapped out with no change to the no start condition. The blue connector to this is supposed to control the injectors, etc. I Checked pins 12, 13, 17, and 25 at the above ECM and found good continuity and condition.
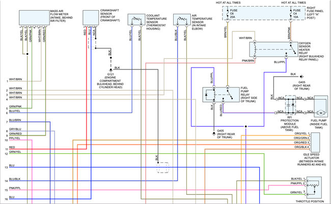
From the Jag Forums, I found some help from an individual who has run into a roadblock because his JHM 1130 repair manual disk is missing page two! This page details the electrical input/output of the fuel injector circuits.
So, here I am, the car was always a good starter. Sitting out all winter and started fine. Then one day it started, ran very rough, and then wouldn't start again after I shut it down.
If you have any suggestions or access to the above missing input/output information, I would greatly appreciate it.
Thanks, Wayne
I have another ECM (DBC10642) by LUCAS which I swapped out with no change to the no start condition. The blue connector to this is supposed to control the injectors, etc. I Checked pins 12, 13, 17, and 25 at the above ECM and found good continuity and condition.
From the Jag Forums, I found some help from an individual who has run into a roadblock because his JHM 1130 repair manual disk is missing page two! This page details the electrical input/output of the fuel injector circuits.
So, here I am, the car was always a good starter. Sitting out all winter and started fine. Then one day it started, ran very rough, and then wouldn't start again after I shut it down.
If you have any suggestions or access to the above missing input/output information, I would greatly appreciate it.
Thanks, Wayne
Mar 31, 2019 at 7:54 AM


















