Fuel pressure sensor replacement

1998 LEXUS GS 300
198,000 MILES • 6 CYL
Avatar
DICKSONRED2
  • MEMBER
  • 10 POSTS
Need detailed directions on how to replace the fuel pressure sensor switch.
Jan 10, 2019 at 8:55 PM
Advertisement
Avatar
ASEMASTER6371
  • CERTIFIED EXPERT
  • 52,796 POSTS
Good morning,

Do you mean the fuel pressure regulator or the pressure sensor for the fuel tank? there is no fuel pressure sensor for the fuel delivery system.

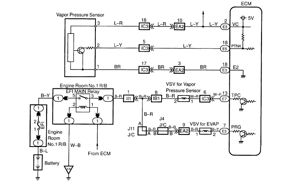
I attached a picture of the pressure sensor for the EVAP system for you to view.

What leads you to believe it has failed? This is not a common failure.

https://www.2carpros.com/articles/how-emission-control-systems-work

Do you have any codes?

Roy
Jan 11, 2019 at 6:30 AM