Hello, have you checked for power at the Fuel pump relay location? With the Relay out and key on there should be power on 2 of 4 pins in the relay's location. There should also be Grounds on the other 2 pins, one is Grounded to the engine block and the other is Grounded through the Fuel Pump itself.
I'll post the wiring diagrams for you to show how the relay circuits work.
You should be able to check the powers and grounds at the relay location with a test light.
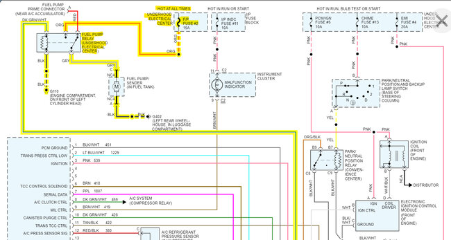
Here are the diagrams for the fuel pump and relay. The power on the orange wire comes from F/P Fuse #2 15amp, the other power feed comes directly from the engine computer (PCM). You can see on the Black wire the Ground G110 and the Grey wire runs to the Fuel Pump which is Grounded a G402. So, if you are missing any of these grounds or powers with the key on, or cranking the engine we can track down the circuit that's missing and not allowing the Relay to power up.
Does the Check Engine light come on when you turn the key to the on/run position for a few seconds?
Since the Fuel pump relay is in the engine compartment, check the underside of the fuse relay electrical center. These areas tend to have corrosion issues and there might be a wire broken off the relay pin. That happens quite often with older vehicles. So, check that first, you might find other wiring issues under there as well.
https://www.2carpros.com/articles/how-to-check-a-car-fuse
https://www.2carpros.com/articles/how-to-use-a-test-light-circuit-tester
https://www.2carpros.com/articles/how-to-check-an-electrical-relay-and-wiring-control-circuit
Images (Click to enlarge)
Jun 3, 2023 at 11:26 AM