☰
Login
Join
×
Home
Answered Questions
Repair Topics
Repair & Service Guides
Popular Questions
Warning Lights
Trouble Codes
How It Works
Testing / Diagnostics
Symptoms
Videos
Login
Become a Member
Home
Mitsubishi
Mighty Max
Fuel System
Fuel Level Sensor
fuel pump and fuel sending unit wiring diagram needed
1994 MITSUBISHI MIGHTY MAX
100,000 MILES • 2.4L • 4 CYL • 2WD • AUTOMATIC
PACIFICISLANDER
MEMBER
240 POSTS
FOLLOW
Need the wiring diagram colors for the fuel pump and the fuel sending unit from the tank.
Mar 14, 2022 at 9:51 PM
Advertisement
KASEKENNY
CERTIFIED EXPERT
18,907 POSTS
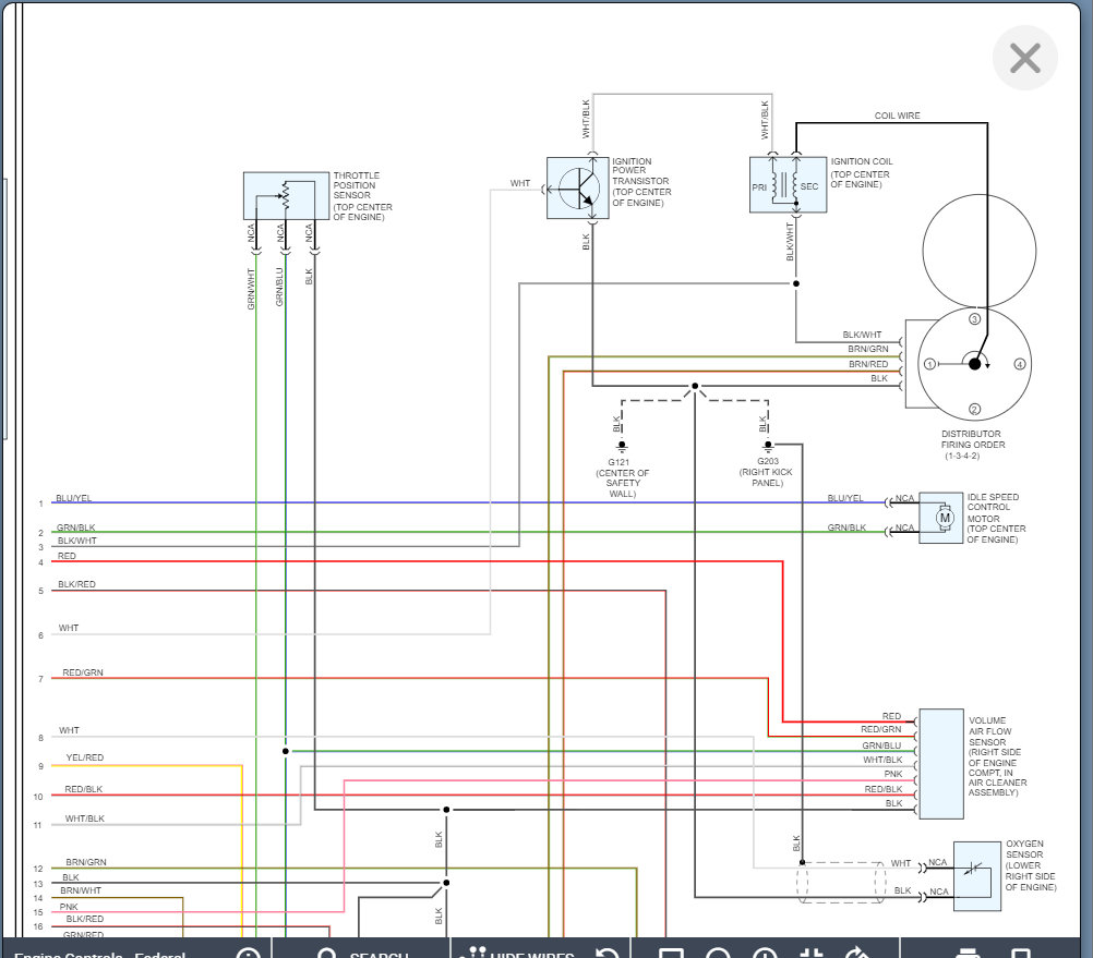
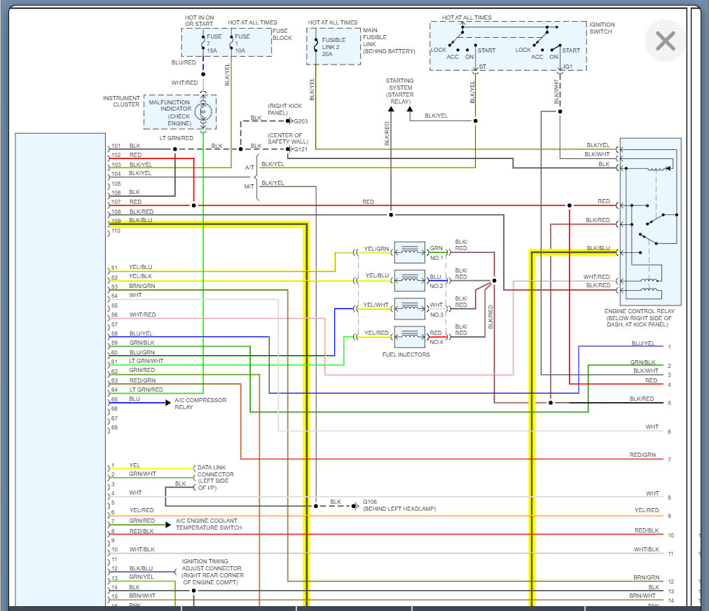
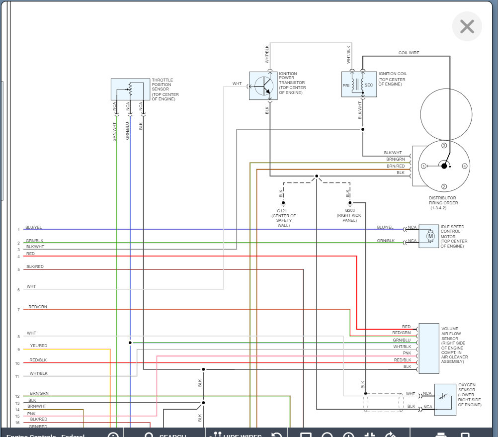
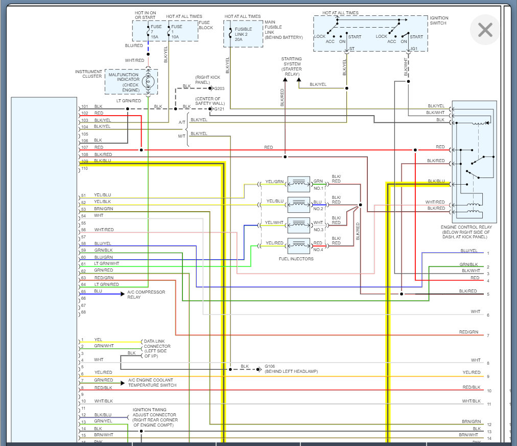
I will attach the wiring info below. However, here are a couple of guides that will help with this info:
https://www.2carpros.com/articles/how-to-check-fuel-system-pressure-and-regulator
https://www.2carpros.com/articles/how-to-replace-an-electric-fuel-pump
Please see the info attached and let me know if you have questions.
Thanks
Images (Click to enlarge)
Mar 15, 2022 at 6:28 PM
PACIFICISLANDER
MEMBER
240 POSTS
Kenny, now I need the wiring for the fuel sending unit. what colors are they?
Mar 15, 2022 at 8:11 PM
Advertisement
KASEKENNY
CERTIFIED EXPERT
18,907 POSTS
Sorry. I didn't include that as they have it separate in the cluster section on this vehicle.
Here is the fuel gauge unit diagram.
Images (Click to enlarge)
Mar 16, 2022 at 3:55 AM