Fuel pump relay replacement

2000 HYUNDAI ELANTRA
115,000 MILES • 2.0L • 4 CYL • 2WD • AUTOMATIC
Avatar
BILLYBILLIONAIRE
  • MEMBER
  • 1 POST
Replacing the fuel pump relay.
Mar 10, 2019 at 4:08 PM
Advertisement
Avatar
SCGRANTURISMO
  • CERTIFIED EXPERT
  • 4,897 POSTS
Hello,

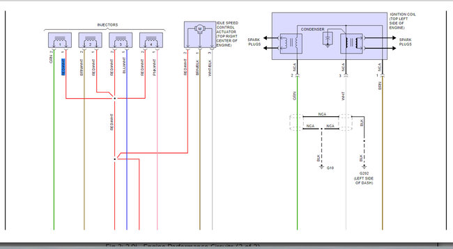
I have included the information for the fuel pump relay, including location and your vehicle's engine control wiring diagrams, in the diagrams down below. Please go through the material and keep us informed on what you find out.

Thanks,
Alex
2CarPros
Mar 10, 2019 at 6:50 PM