fuel tank pressure sensor?

2002 MERCURY MOUNTAINEER
97,000 MILES • 4.0L • 6 CYL
Avatar
  • MEMBER
  • 4 POSTS
have check engine light on, took it to auto parts store for code check. got code P0453 and suggested part. I got that part, but while checking around for the best price, I found 3 different looking fuel tank pressure sensors, thinking they may be confused with fuel rail pressure sensor, or something else, making me think i might have wrong part. So, I lowered the fuel tank, and I didn't immediately see anything that looked like the part that was ordered. Exactly where is the fuel tank pressure sensor located, and what does the actual fuel tank pressure sensor look like? The more I try to confirm the actual part and location, the more confused and frustrated I get. I used to work in a Ford dealership parts dept a long time ago, this is not normal for me. UGGH. Please, any definitive help would be appreciated.
Dec 18, 2024 at 7:18 PM
Advertisement
Avatar
STRAILER
  • CERTIFIED EXPERT
  • 53,855 POSTS
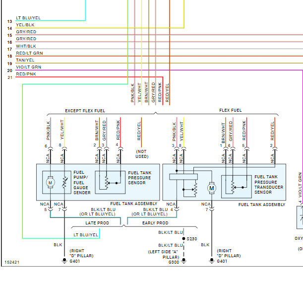
The reason you are having an issue is because flex fuel and non-flex fuel have two different applications, it looks like the sensor plugs into the top of the tank, but they do show an inline sensor as well, as early and late productions.

P0453: Evaporative Emission System Pressure Sensor/Switch High Input

Here is what the sensors look like and the wiring as well. Check out the images (below). Please let us know what happens.
Dec 19, 2024 at 11:50 AM
Avatar
  • MEMBER
  • 4 POSTS
I have the AWD if that's the same as 2WD, I'm not sure. There is nothing on the gas tank that looks like your sensor, or the one AutoZone suggested that I bought. There is t-shaped sensor with one hose on each side and a plug, it does not plug directly into the tank, but there is a plug with 2 hoses. I tried to plug the male sensor that i have into the female plug, it doesn't fit there. I just don't see where the fuel tank pressure sensor goes, yours or mine.
Dec 19, 2024 at 1:08 PM
Advertisement
Avatar
STRAILER
  • CERTIFIED EXPERT
  • 53,855 POSTS
If you look at the second image int he diagrams it shows this sensor. I marked it for you in your image below. Check out the images (below). Please let us know what happens.
Dec 20, 2024 at 9:22 AM
Avatar
  • MEMBER
  • 4 POSTS
Thank you, i will order that sensor ASAP.
Dec 20, 2024 at 8:41 PM
Avatar
STRAILER
  • CERTIFIED EXPERT
  • 53,855 POSTS
You are welcome, let us know if you need anything else.
Dec 21, 2024 at 10:06 AM
Avatar
  • MEMBER
  • 4 POSTS
I definitely will. Merry Christmas!
Dec 21, 2024 at 10:33 AM
Avatar
STRAILER
  • CERTIFIED EXPERT
  • 53,855 POSTS
Merry Christmas to you as well!
Dec 21, 2024 at 10:34 AM