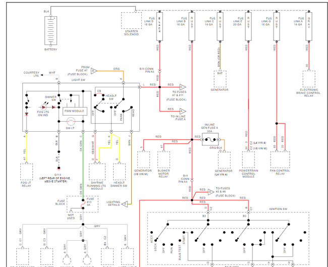
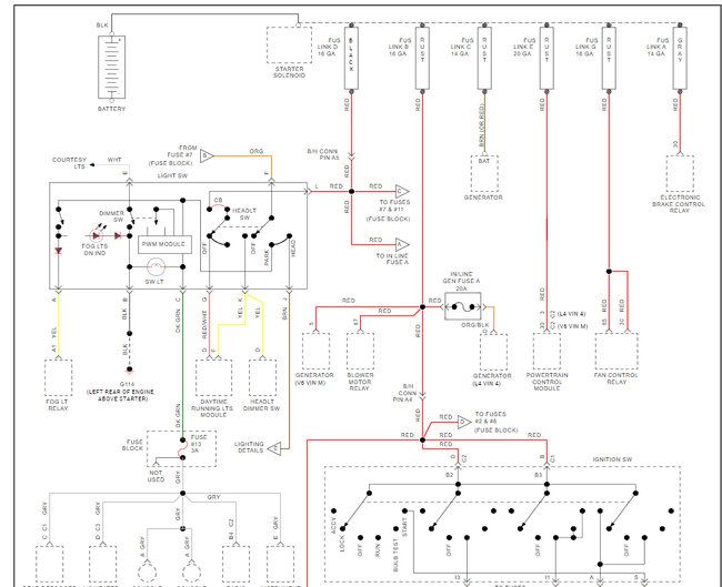
Well , I've since got my hands on Chilton's Auto Repair Guide for Ruby . However being a novice at this and working with a shoestring budget progress is slow. Down to figuring out what guage of wire to what circuit. Need to get my order ready for MetriPack 1 mixed series black 42 way Aptiv Delphi 280/480/630 male end blade terminals... Is there anyway you would have the fuseblock C100 connector/joiner ( engine bay to cabin ) pinout diagram? I am also trying to figure out how to read the junction block itself...ABCDEFG up and down / 2 , 1 17 terminals Engine junction connector and the 25 terminal Headlamp connector left to right 4,5,6,7,8 ...Do you have a diagram of proper running sequence. Also a color coded wire diagram for the 42way C100 connector junction box terminals go. Anything helps! Thank you for you time,expertise and professionalism in helping me resurrect Ruby and spin out and kick gravel in the face of all the scoffers and unbelievers who says " call the junkyard, time to scrap her!. Nonsense ! My 1996 Chevy Corsica 2.2L ,automatic, 4door sedan is my dream car. Kinda like Christine was to Arnie Cunningham, just not evil like she was. Here's the VIN if it will help you any 1GILD554XTY248314 GM
Hope to here from you soon, and thanks for the wiring diagrams you sent me. I need to make some xerox copies of them so I can piece them together to better understand them . Thanks again! We're waiting patiently on your response, Trent and Ruby
Nov 14, 2024 at 4:14 AM