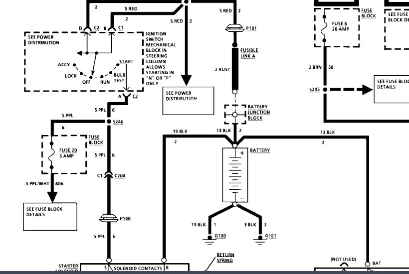
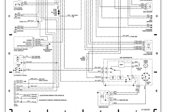
Had a new starter installed. Cranked a few times and now just a click, engine will not turn over. Do not have owners manual for fuse box diagram. Any help?
Dec 4, 2018 at 9:22 AM







