Fuse box inside truck diagram needed?

1989 CHEVROLET TRUCK
209,000 MILES • 5.7L • V8 • 4WD • AUTOMATIC
Avatar
BRANDON12345
  • MEMBER
  • 1 POST
Fuse box diagrams please?
Sep 18, 2024 at 4:47 PM
Advertisement
Avatar
JACOBANDNICKOLAS
  • CERTIFIED EXPERT
  • 110,175 POSTS
Hi,

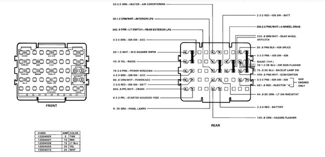
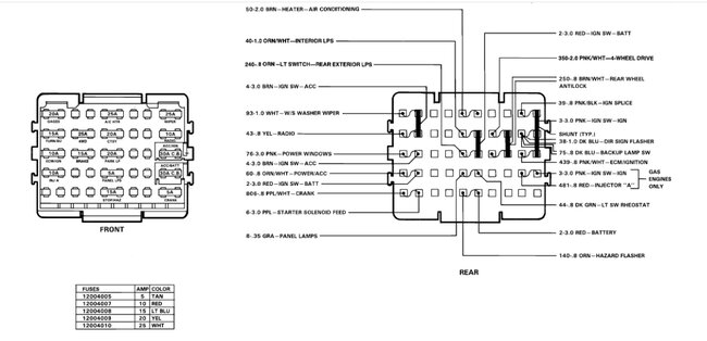
If you look below, I attached the only one that I have for this vehicle. Take a look at it and let me know if it helps.

Also, to keep it all together, I wasn't able to enlarge it much at all. Let me know if there is a section you can't read.

One other thing, here is a link you may find helpful. Remember, even if a fuse is good, there may be no power to or from it, so that needs to be checked.

https://www.2carpros.com/articles/how-to-check-a-car-fuse

Take care,

Joe

See pic below.
Sep 18, 2024 at 8:19 PM