Fuse box wiring diagram

1995 CHEVROLET S-10
186,531 MILES • 4.3L • 6 CYL • 2WD • AUTOMATIC
Avatar
ENRIQUE EL VAQUERITO HERNANDEZ
  • MEMBER
  • 1 POST
Any fuse box. number o position where any to connect the ignition wire and which one go first?
Apr 16, 2022 at 11:37 PM
Advertisement
Avatar
KASEKENNY
  • CERTIFIED EXPERT
  • 18,907 POSTS
I am not sure I understand what you are looking for with this one.

Are you saying that you want a diagram of the fuse block? If so, I attached it below and here is a guide that will help with testing the fuses.

https://www.2carpros.com/articles/how-to-check-a-car-fuse

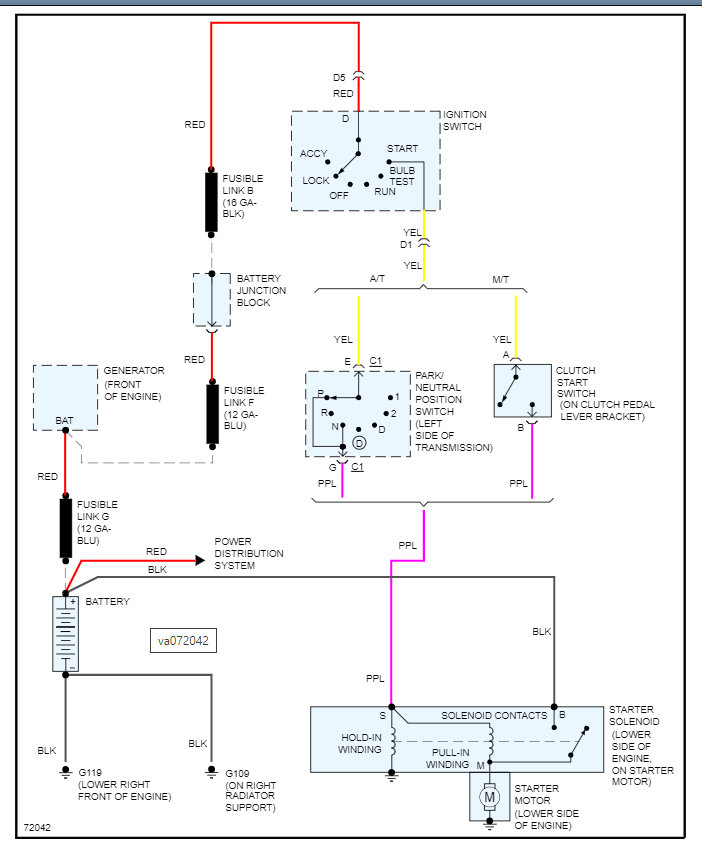
However, I feel like you may be asking for which wire to hook the ignition switch too? If that is the case, I am attaching a diagram of the starter circuit which will help with doing this.

Please run through this info and let me know if I am missing what you are looking for.

Thanks
Apr 17, 2022 at 6:16 PM