Air conditioner fuse?

2006 CHRYSLER 300
14,000 MILES
Avatar
ROSASEGURA241
  • MEMBER
  • 1 POST
The air compressor does not run. is there a fuse for that and where is it located?
Jun 20, 2017 at 4:24 PM
Advertisement
Avatar
STRAILER
  • CERTIFIED EXPERT
  • 53,855 POSTS
Hello,

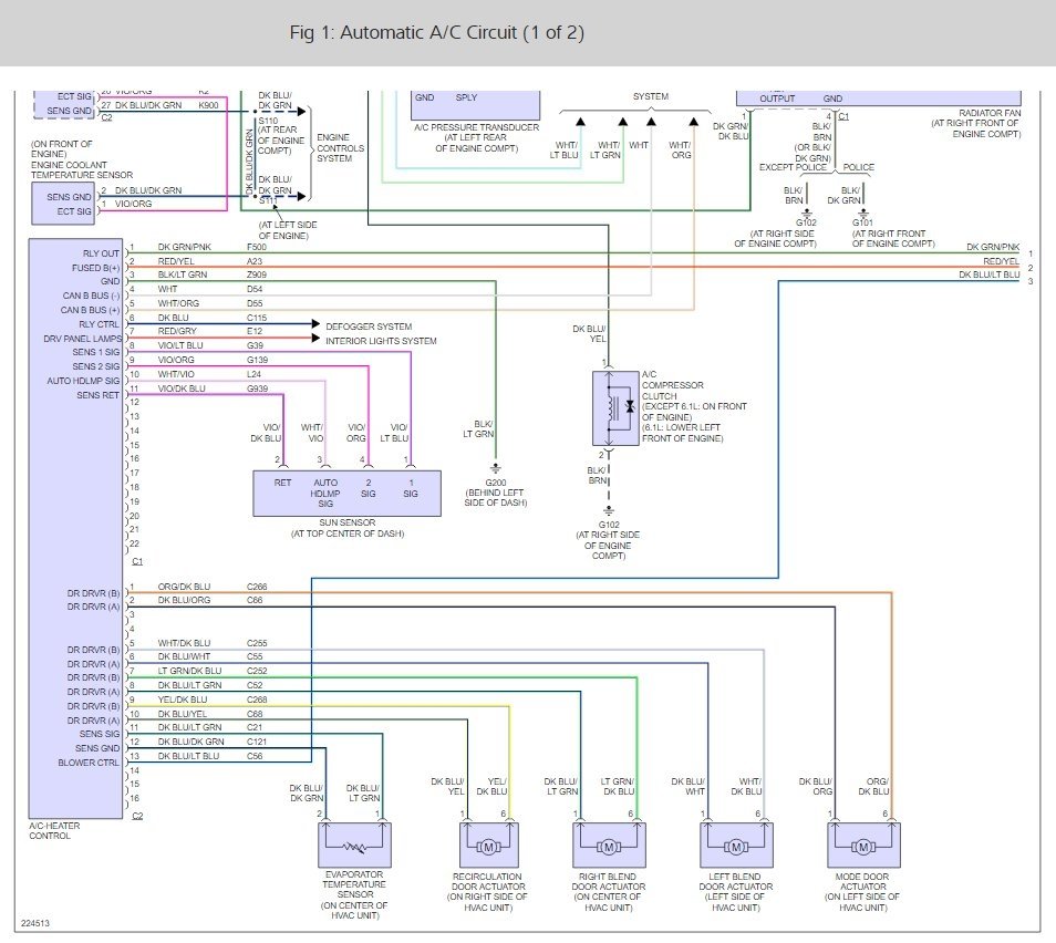
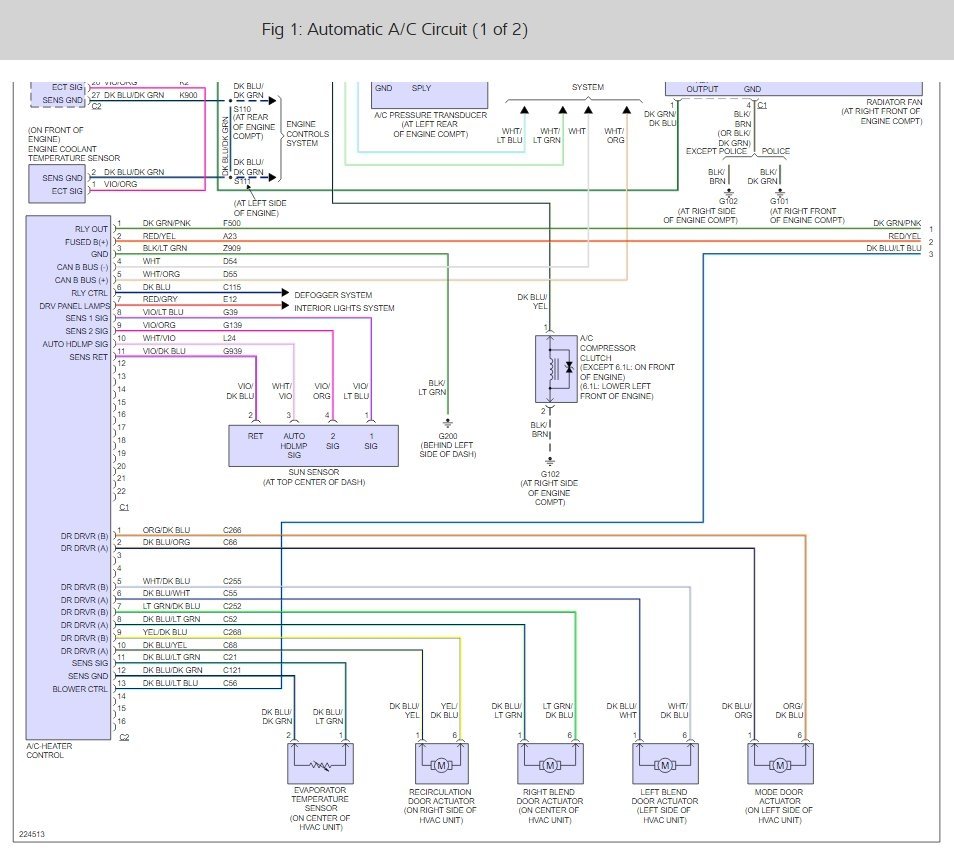
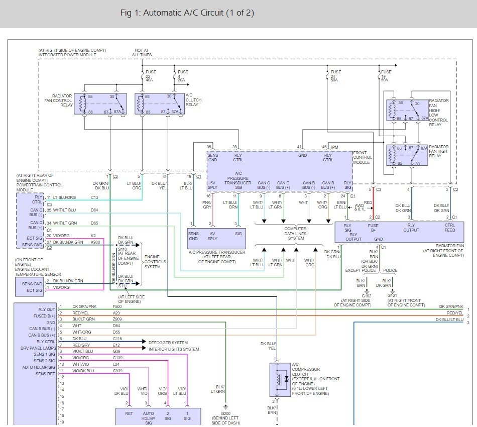
I have found the fuse and relay locations for you along with the air conditioner wiring diagrams (BELOW) Here are a couple of guides to get you started in the right direction.

https://www.2carpros.com/articles/how-to-check-a-car-fuse

and

https://www.2carpros.com/articles/how-to-check-an-electrical-relay-and-wiring-control-circuit

Please run some tests and get back to us so we can continue helping you. Check out the diagrams (Below). Please let us know what you find. We are interested to see what it is.
Jun 23, 2017 at 11:16 AM