Which fuse is for the button that the dome light comes on when door is open?

1998 CHEVROLET 1500
210,000 MILES • 5.7L • V8 • 2WD • AUTOMATIC
Avatar
  • MEMBER
  • 1 POST
So, my truck was broken into shortly after i got it. A long story short, no door panel on driver's side.
Dec 23, 2022 at 3:57 PM
Advertisement
Avatar
JACOBANDNICKOLAS
  • CERTIFIED EXPERT
  • 110,175 POSTS
Hi,

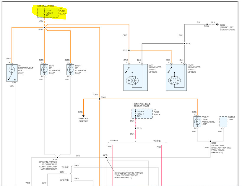
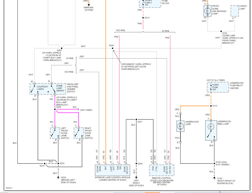
The fuse for the interior courtesy lamps is in the instrument panel fuse box. It will be fuse 3 in the box. If you look at the last two pics below, I highlighted the fuse and highlighted everything it powers.

I attached the wiring schematic for the circuit as well so that you have a reference.,

If you check the fuse and it appears good, confirm it has power to and from it.

Here is a link you may find helpful:
https://www.2carpros.com/articles/how-to-check-a-car-fuse

Let me know if this helps or if you have other questions.

Take care,

Joe

See pics below.
Dec 23, 2022 at 5:59 PM