Hi,
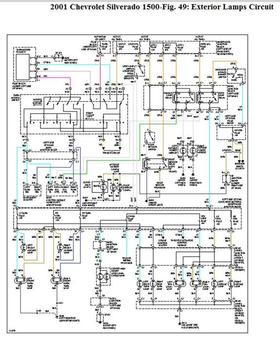
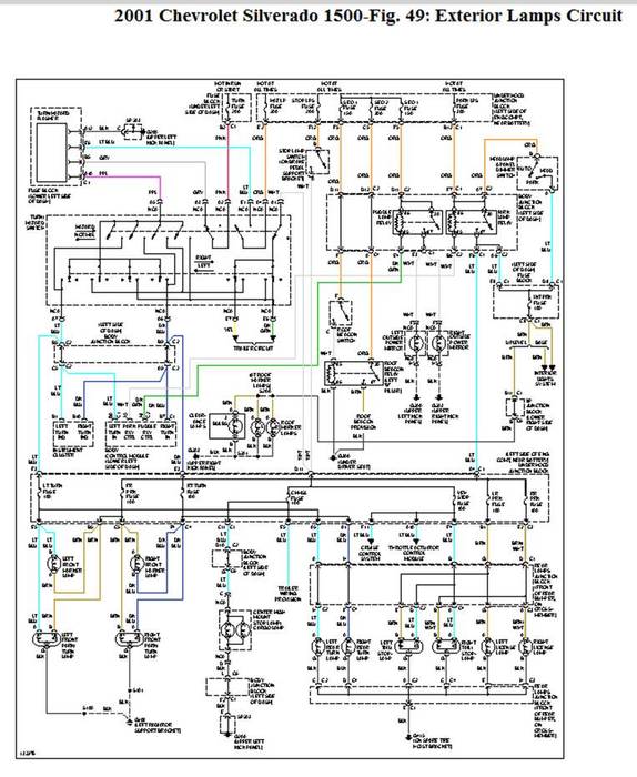
If the left rear parking lights are working, they should too. The fuse is in the under hood fuse box. I attached pics below. The first three are from the wiring schematic showing how power is distributed. I started at the license lights and then have arrows pointing it back to the power source / fuse. The third pic shows fuse location. Pic 4 shows the fuse in the box.
Now, here are a few links you may find helpful. When you check the fuse, if it is good, make sure there is power to the fuse as well. If there isn't, we need to trace back to find where power is lost, which could be one of the main fuses.
https://www.2carpros.com/articles/how-to-check-a-car-fuse
Keep in mind the following. If the parking lights work, it isn't a fuse issue. If they don't, there is a parking light relay in the fuse box to check. If everything works but the license plate lights, first make sure there isn't power to the lock sockets. If there isn't, trace the power wire back to where it connects with the other tail lights. If there is power, then replace the sockets.
I hope something here helps. Let me know if you have questions or need help. Also, if you find it and have a chance, let me know what you found.
Here is a link that explains how to test a relay. I'm adding it in case you want to check it. Remember, none of the tail lights will work if it's bad, so if they work, that isn't the problem.
https://www.2carpros.com/articles/how-to-check-an-electrical-relay-and-wiring-control-circuit
Take care,
Joe
Images (Click to enlarge)
Nov 25, 2020 at 6:02 PM
(Merged)