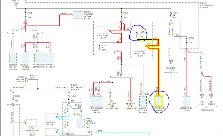
fuse number 2 PCM blows

1995 JEEP GRAND CHEROKEE
220,000 MILES • 5.2L • V8 • 4WD • AUTOMATIC
Avatar
JOEGO
  • MEMBER
  • 4 POSTS
Fuse number 2 (PCM) blew intermittently for a few days causing engine shutdown, now it blows immediately on replacement. Removed ASD relay still blows. With the PCM Disconnected the PCM fuse does not blow, load side of fuse resistance open. Resistance on load side of fuses is .2 ohms with PCM connected.
Sep 7, 2020 at 2:07 PM
Advertisement
Avatar
ASEMASTER6371
  • CERTIFIED EXPERT
  • 52,796 POSTS
Good evening,

If the fuse fails with the PCM disconnected, then the PCM is internally shorted out. It must be replaced.

https://www.2carpros.com/articles/how-to-check-wiring

https://www.2carpros.com/articles/how-to-check-a-car-fuse

https://www.2carpros.com/articles/how-to-check-an-electrical-relay-and-wiring-control-circuit

I attached the diagram for you. The PCM is the only thing the fuse controls.

Roy
Sep 7, 2020 at 3:11 PM
Avatar
JOEGO
  • MEMBER
  • 4 POSTS
no, the fuse does not fail with the PCM disconnected.
Sep 7, 2020 at 3:54 PM
Advertisement
Avatar
JOEGO
  • MEMBER
  • 4 POSTS
Have visually inspected all engine and under-hood wiring, no faults found. Also did a shake test on wiring with a latching continuity tester again no faults found. maybe I need a new PCM, just would like to know how the PCM divides the voltage from the number 2 fuse before shotgunning parts.
Sep 7, 2020 at 4:08 PM
Avatar
ASEMASTER6371
  • CERTIFIED EXPERT
  • 52,796 POSTS
That fact that the fuse does not fail means the ECM is the issue and must be replaced.

The reason is internal and special equipment is required to find the failure.

Roy
Sep 7, 2020 at 4:13 PM
Avatar
JOEGO
  • MEMBER
  • 4 POSTS
I Agree it could be a PCM internal fault, but I doubt it because the fuse blew intermittently at first. I think it could also mean a component down line of the PCM faulty. I would like to trouble shoot further before buying an expensive PCM. Replaced PCM fuse still blows.
Sep 9, 2020 at 5:59 PM
Avatar
ASEMASTER6371
  • CERTIFIED EXPERT
  • 52,796 POSTS
If you disconnected the ECM and the fuse did not fail, that eliminates all the wiring up to the ECM.

Did you use a new or used ECM?

Roy
Sep 10, 2020 at 3:47 AM