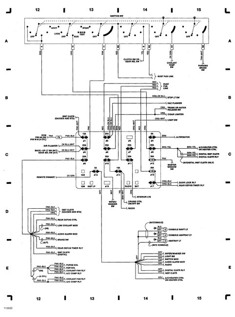
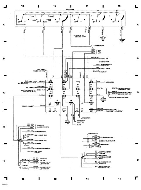
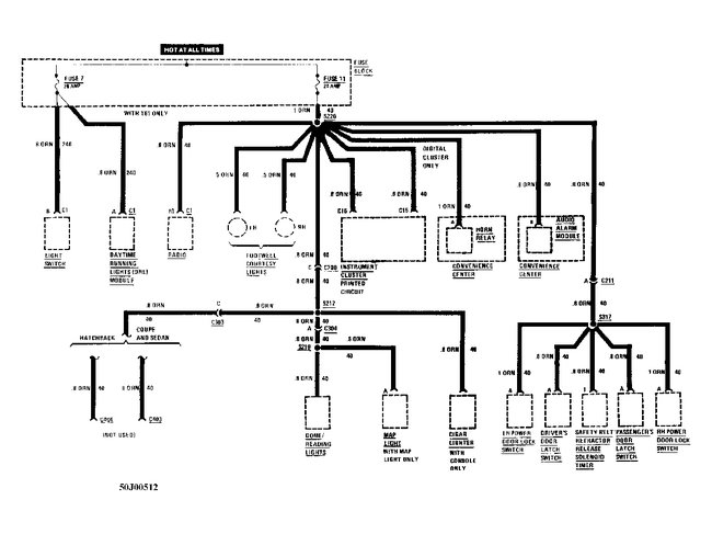
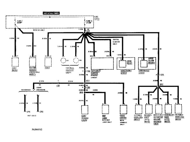
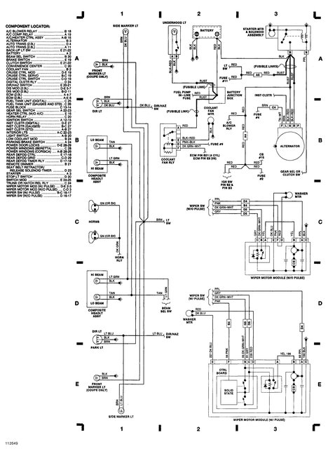
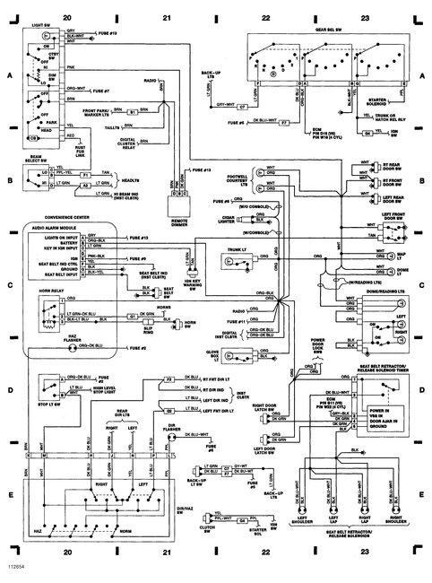
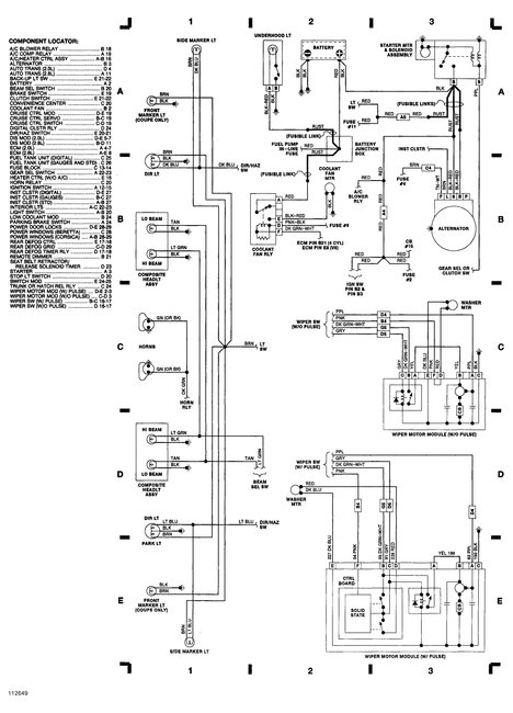
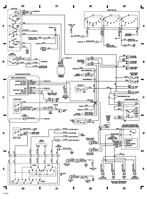
If you have tested them to verify there is no power then you need to check a couple items under the hood. Fuses 7 and 11 both receive power from the same fusible link. Fuse 13 is also fed from that through the light switch. My first thought is that you have a bad light switch that has shorted and caused the rust colored fusible link attached to the battery post on the starter to fail. However you need to actually test the link first as it could simply be corroded or broken. There are three different links connected to the starter post, two connect to the charging system and the other powers the fuses you have a problem with. They are all rust color which means they will be some shade of red. The one you want will connect to a solid red wire, the other two connect to red with black stripe or one has both red and red with black. To test them is easy, use a test light and probe the red wire after the link connects. No power = bad fuse link.
I would also pull the light switch and check it for melted contacts, they are common because of the power routed through the switch. If you replace the fuse link and the switch is bad you could melt the link or worse.
Images (Click to enlarge)
Jul 9, 2018 at 2:54 PM