fuses

1997 CADILLAC ELDORADO
105,000 MILES • 4.6L • V8 • 2WD • AUTOMATIC
Avatar
HYOUNG4601
  • MEMBER
  • 3 POSTS
What does ECS stand for in fuse box?
Jan 29, 2018 at 11:41 PM
Advertisement
Avatar
CARADIODOC
  • CERTIFIED EXPERT
  • 34,308 POSTS
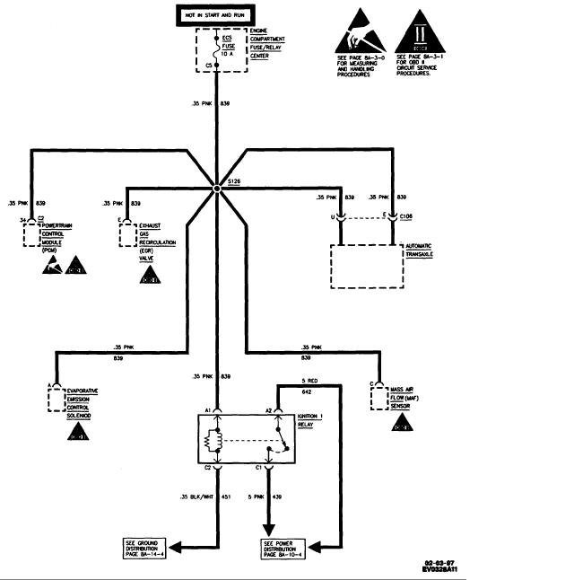
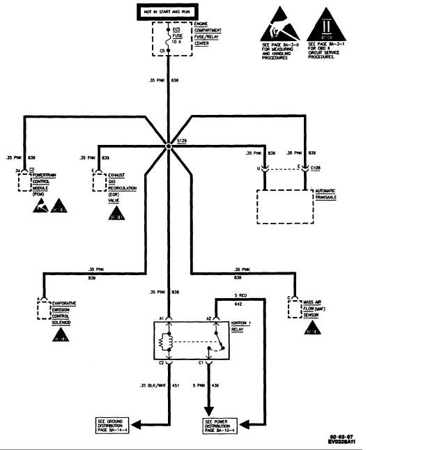
That is top secret. Only the people at GM who wrote the service manual know that, and they do not want anyone else to know, as evidenced by searching for half an hour with no answer. I can tell you it feeds the engine computer, mass air flow sensor, . . . well, it is faster to look at the diagram.

My guess would be "engine control system" or "emissions control system".
Jan 30, 2018 at 6:03 PM