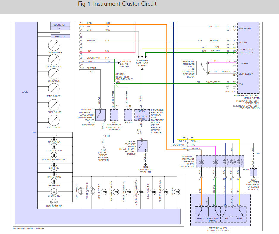
I have a 2004 Chevy Trailblazer and when I start up the vehicle sometime the lights won't come on neither do the gauges would move. Could this be the Body Control Module need to be replace or something ? How can this issue be repair ?
Jan 23, 2019 at 5:44 AM

