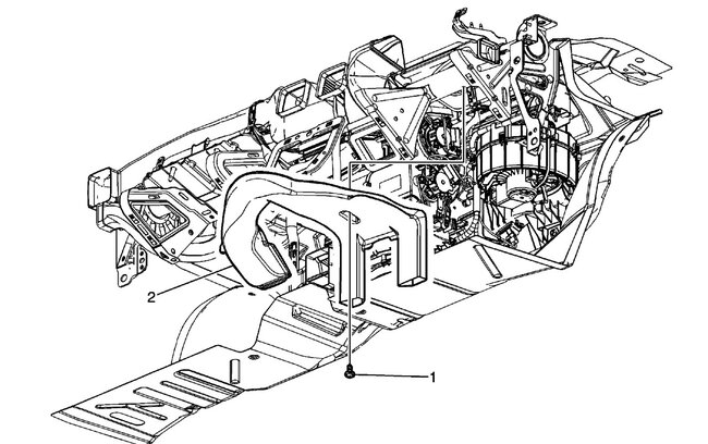
I can't get the glove box off. Removed 5 screws and popped open but the door hinges are attached by two pins that fit into the main dash. No obvious method to remove.
I'm hoping to get to vent door actuator as air isn't transitioning from face to defroster so no heat is hitting the front window.
Plus, I currently only have head on drivers side. May have more work but stepping through one component at a time. Happy to take suggestions.
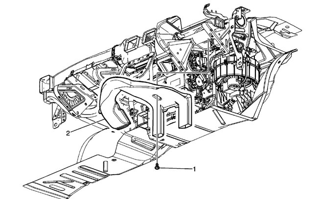
I'm hoping to get to vent door actuator as air isn't transitioning from face to defroster so no heat is hitting the front window.
Plus, I currently only have head on drivers side. May have more work but stepping through one component at a time. Happy to take suggestions.
Nov 26, 2025 at 2:23 PM








