Liftgate will not electrically open or close

2007 GMC YUKON
Avatar
LES CARSON
  • MEMBER
  • 3 POSTS
V8 front wheel drive automatic 49,000 miles. Lift-gate will not open or close electrically. There is a sound when initiated but gate quits not lifting or closing. Liftgate will open manually. Can I check the motor, it does not seem to run? Possibly a relay or control module?
Nov 8, 2010 at 7:56 PM
Advertisement
Avatar
BLUELIGHTNIN6
  • CERTIFIED EXPERT
  • 16,542 POSTS
You will have to use the lift-gate trim panel plug to open it and then remove the lift-gate trim panel to inspect the latching mechanism. Try lubricating the latch with WD40 and see if that helps the issue.

Since the gate is opening manually you can easily remove the trim panel to access the motor. Before doing this though, you can check the fuse labeled LCK2 (15 amp) , OBS DET (10 amp) and UNLCK2 (15 amp) all in the instrument panel fuse block located at the left side of the instrument panel behind the access panel.

If these fuses are good then the lift-gate release relay may be bad, unfortunately this is a printed circuit board (PCB) relay which means it is built into the fuse block, so if it is bad the entire block must be replaced. You said you hear a noise when pushing the button though, so I would assume that is the relay clicking. You can test the motor by supplying twelve volts direct power to it from a twelve volts source (i.e. spare car battery). With twelve volts direct power and a ground, the motor should run without using a switch. If it does not run this way the motor is bad, if it does run then power is not getting to it.

If the lift-gate is not opening manually you will have to locate the dimple on the trim panel. Use a 1 1/16" drill bit to drill a hole through the trim panel in the dimple area. Use a flat blade tool (i.e. screwdriver) to push down on the black bell-crank lever through the plug hole to unlock the lift-gate. Push open the lift-gate from the inside.
Nov 8, 2010 at 11:04 PM
Avatar
N2TRUX
  • MEMBER
  • 1 POST
I am experiencing the same problem on my 2007 Yukon Denali XL. When I push the button on the remote I hear the lock motor disengage, the lights flash and the gate releases but will not power up. If I manually release and open the gate the struts will hold it up so I do not feel they are bad.

When opened manually if I try to close it with the remote the lift motor starts then stops. This tells me the motor is getting twelve volts, and I have checked the recommended fuses as well.

Is the motor weak? Does it have a protect circuit that shuts it down? I am not sure which way to look from here.
Aug 8, 2012 at 2:37 PM
Advertisement
Avatar
CANDICETURNBOW
  • MEMBER
  • 1 POST
I also am experiencing the same exact problem, and if one more person asks me if it is the "button" turned off I will scream! Rear access door will open manually, but when key-fob is used it only tries to work, I can hear the motor coming on but door will not open on its own, when its opened manually it will stay open, so it is not the struts. Okay, so I have the same problem. I took it to a shop and they replaced the motor assembly, the rear ECU (electronic control unit), the electric latch (which was working when I brought it in), and the BCU (body control unit) which is basically the computer that controls all the functions of the vehicle other than the engine. After all was said and done, the gate opened only part way and when I pushed the button to close it, it went partly way down and back up again. That was last week. This week it is back to manual opening only, exactly what it did before I took it to the shop. Anyone ever find a solution?
Oct 26, 2012 at 8:07 PM
Avatar
STRAILER
  • CERTIFIED EXPERT
  • 53,855 POSTS
Hello,

What happens in these cars is the liftgate motor starts to go bad causing the amperage to be higher than the electronics are designed for so it burns them up there is also a control module that works the system as well.

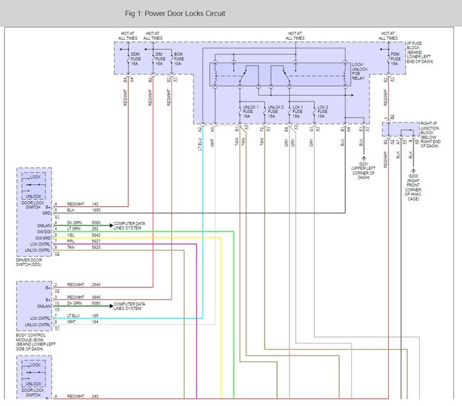
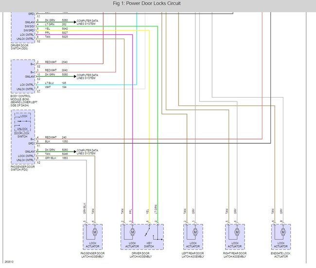
Here are the wiring diagrams and repair manual diagrams to help you see how the system works. It sounds like the liftgate module is bad. Check out the diagrams (Below) Please let us know what happens. Cheers, Ken
Dec 19, 2017 at 5:21 PM
Avatar
ERICSAVOIE
  • MEMBER
  • 1 POST
My rear liftgate wont open, the window opens but not the door what could be the problem?
Dec 8, 2018 at 6:34 PM (Merged)
Avatar
HMAC300
  • CERTIFIED EXPERT
  • 48,601 POSTS
if it was recently repaired then it needs to be calibrated. it may need to be scanned by a pro to see if a sensor is bad however. see pics.
Dec 8, 2018 at 6:34 PM (Merged)
Avatar
HOTRODGTO
  • MEMBER
  • 3 POSTS
The electric lift-gate stopped working. I took it to a shop where they replaced the motor assembly, the rear ECU (electronic control unit), the electric latch (which was working when I took it to them as I was able to open it manually), and then the BCU (body control unit). All of this cost me about $2000.00. When they finished it the lift-gate only opened 2/3 of the way and when it was asked to close, it would begin closing and then stop and reverse itself. That was last week. Now, it is back to a manual open and close only. Note there is no binding of the gate. It opens and closes freely albeit manually. Worse yet, I was out-of-town at the time and four and half hours from home. And yes, the dealer programmed the new BCU. Any idea?
Dec 8, 2018 at 6:34 PM (Merged)
Avatar
HMAC300
  • CERTIFIED EXPERT
  • 48,601 POSTS
They probably did not calibrate the lift-gate, there is a tsb on this, its number is 06008a if it was done at a dealer I would take it back and have them fix it or call GMC they will see that is gets fixed. There is an updated version for calibration as well.
Dec 8, 2018 at 6:34 PM (Merged)
Avatar
HOTRODGTO
  • MEMBER
  • 3 POSTS
Okay. That was never mentioned and it sounds like the correct answer and I am not doubting you. First, it was all done at a privately owned repair shop, not the dealer. The only thing the dealer did was program the new BCU. Second, it was working somewhat as I mentioned, but also, as I said, it stopped working altogether. The only thing that works is the lock mechanism. So now I am wondering why that might be. I know I must go back to the shop and see if they can get it working at all and then see if they can figure out how to calibrate it as per your suggested tech bulletin. I will converse this information to them. Thanks much.
Dec 8, 2018 at 6:34 PM (Merged)
Avatar
HOTRODGTO
  • MEMBER
  • 3 POSTS
To HMAC300
One last question. Along with your original answer to my concern you mentioned a TSB and included an image that talks about testing the components for power. My question now is, is that image you included the TSB or is it in addition to the TSB? I want to be sure before I discuss this with my mechanic.
Thanks much for your reply and invaluable info.
Gary T
Dec 8, 2018 at 6:34 PM (Merged)
Avatar
HMAC300
  • CERTIFIED EXPERT
  • 48,601 POSTS
the picture is a posting of a tip other mechanics have run into so it's in addition to the tsb. The local mechanic may not be able to do either of these so you'll have to talk it over this may have to be done at a dealer.
Dec 8, 2018 at 6:34 PM (Merged)
Avatar
BRUIESERD
  • MEMBER
  • 2 POSTS
The power lift gate will not open other than manually. Its not the button near the rear view mirror.it Makes the sound as if it is going to open but nothing happens. Also the heated seat will not stay on. The lights come on for about 45 seconds and turns off and the seat never gets hot.
Dec 8, 2018 at 6:35 PM (Merged)
Avatar
HMAC300
  • CERTIFIED EXPERT
  • 48,601 POSTS
for the door locks have it scanned it may be body module problem could also be a relay in dash. fuse box. also check unlock fuse 2 as well . for the seat there is a tsb on this so it has to have the harness rerouted and fixed if cut but you need to take the seat off the floor to do this. it needs a special tape to ifx this along with rerouting it. not sure if a dealer wil stil do this on your car they may however so check
Dec 8, 2018 at 6:35 PM (Merged)
Avatar
BRUIESERD
  • MEMBER
  • 2 POSTS
Thank You! I will check these tomorrow.
Dec 8, 2018 at 6:35 PM (Merged)
Avatar
TED NEWMAN
  • MEMBER
  • 1 POST
My rear electric lift gate will open half way, then close. When i turn on the manual switch, the lift-gate will open, but the shocks are resisting the door from opening forcing it down again. Any ideas?
Dec 8, 2018 at 6:35 PM (Merged)
Avatar
STEVE W.
  • CERTIFIED EXPERT
  • 15,116 POSTS
Sounds like the gas struts are weak. They assist the system by lowering the amount of weight the motor sees. If they are faulty the sensors see excessive weight and think you are closing the gate. Replace the gas struts and the problem should be repaired.
Dec 8, 2018 at 6:35 PM (Merged)
Avatar
TBUZYNISKI
  • MEMBER
  • 4 POSTS
lift gate opens automatically, get about half way open then closes. Sounds like its a sensor. GMC 2007 Yukon Denali - can I repair this or do I need to take it into repair shop.
Dec 8, 2018 at 6:35 PM (Merged)
Avatar
FACTORYJACK
  • CERTIFIED EXPERT
  • 4,159 POSTS
It is quite possibly just a weak support strut. Look for leakage on either of the struts. The lift system requires the assistance from the struts to complete an opening. The excess weight of the door, without the assistance of the struts, causes false reversal.
Dec 8, 2018 at 6:35 PM (Merged)
Avatar
DEBYWMS
  • MEMBER
  • 1 POST
gate starts to open when button are pressed but after it opens partly it then closes back. nothing seems to be blocking it.
Dec 8, 2018 at 6:35 PM (Merged)
Avatar
CARADIODOC
  • CERTIFIED EXPERT
  • 34,308 POSTS
I had a similar problem with a different brand vehicle, and fixed it by readjusting the striker. Seems the gate has to pop open far enough to leave the striker. When it's misadjusted, the gate doesn't pop open far enough and the latch is still touching the striker. That creates the signal that it's supposed to be pulling closed. Adjust the striker forward about 1/8" and try it.
Dec 8, 2018 at 6:35 PM (Merged)
Avatar
BSTRITTMATTER
  • MEMBER
  • 2 POSTS
My 2007 Denali has a power liftgate that simply quit working. It makes noise like it wants to open, but it no longer opens or closes under power. I have checked all connections, fuses and mechanical parts. It appears the problem might be the motor isn't being actuated (since it doesn't move by its own power) or the electric latch is refusing to unlock and tripping the interrupt and shutting the process down. I doubt its the latter since I disconnected the mechanical arm and did some tests and it still doesn't work. Could it be the electric latch or perhaps the motor is bad?
Dec 8, 2018 at 6:35 PM (Merged)
Avatar
BRIAN 1
  • CERTIFIED EXPERT
  • 1,030 POSTS
when its unlocked does the liftgate open manualy?from the outside handle or does it not open?when you use the remote does it unlock?need more info,also have it scanned for any BCM codes.post back with any other questions.
Dec 8, 2018 at 6:35 PM (Merged)
Avatar
BSTRITTMATTER
  • MEMBER
  • 2 POSTS
Yes, it unlocks manually using the outside handle when the toggle switch on the dash is pushed to manual only mode. With the remote, it makes noise and comes open a small bit, but does not want to open without shutting it again and opening manually with the outside handle.

It's out of warranty so didn't take it to the dealer yet. I assume that's the only way to scan for BCM codes? If I take it to the dealer, I'll probably just have them fix it since its there, but was hoping to avoid a costly trip to the dealer.
Dec 8, 2018 at 6:35 PM (Merged)
Avatar
BRIAN 1
  • CERTIFIED EXPERT
  • 1,030 POSTS
could be alot of things,the rear gate might need to be adjusted,the actuator motor for the liftgate could be stripped,or the tailgate module could need to be calibrated.you might have to take some rear panels off and check the operation of the liftgate module. all the parts for this will be expensive,and yes the dealer is the only one to scan for bcm codes.post back with any other questions.
Dec 8, 2018 at 6:35 PM (Merged)
Avatar
JDH55
  • MEMBER
  • 2 POSTS
I have a 2007 Yukon I was having the same trouble. I found that the switch above the rear view mirror was turned off. I turned the switch back on and everything started working fine. Hope this helps you out. jdh55
Dec 8, 2018 at 6:35 PM (Merged)
Avatar
KHLOW2008
  • CERTIFIED EXPERT
  • 41,814 POSTS
Thanks for the input.

Better late than never.

Have a great day.
Dec 8, 2018 at 6:35 PM (Merged)
Avatar
WAYNEWAYNEUS
  • MEMBER
  • 1 POST
The rear hatch keeps unlocking by itself at no particular time. Door works fine but won't operate remotely or when auto-close button is pushed because the hatch keeps unlocking
Dec 8, 2018 at 6:35 PM (Merged)
Avatar
STRAILER
  • CERTIFIED EXPERT
  • 53,855 POSTS
Hello,

There is a center door lock relay that can be shorting out, here is a guide and diagram that should help you get the problem fixed.

If it all checks out I would have to say the BCM is shorting out which will need to be replaced.

https://www.2carpros.com/articles/how-to-check-an-electrical-relay-and-wiring-control-circuit

Please run some tests and get back to us so we can continue helping you.

Best, Ken
Dec 8, 2018 at 6:35 PM (Merged)
Avatar
MIKE MCCANN
  • MEMBER
  • 1 POST
Check the Open/Off Switch

This happened on 10-26-2019. Wedding Dance. Someone else designated driving my 2013 Suburban to the hotel at midnight. Passenger needed a dome light and accidentily turned off the switch on the upper console for the liftgate. Unknown to me, I thought the gate was broke. Turns out a few folks on here said to check the switch (I forgot it even existed). Go check your switch first. Mike McCann cost: I ain't telling my wife....
Oct 31, 2019 at 9:43 AM
Avatar
STRAILER
  • CERTIFIED EXPERT
  • 53,855 POSTS
Excellent addition to this thread! :)
Nov 1, 2019 at 10:14 AM
Avatar
LOWRY89
  • MEMBER
  • 2 POSTS
You can also check the hatch window! I have a 2007 Yukon and if you’ve accidentally pushed the button on the key fob and it’s opened the hatch won’t unlock.
Jun 10, 2023 at 8:34 PM