How can tell if the truck is experiencing grounding issues or the ECM is the problem?

2007 GMC YUKON
175,000 MILES • 5.3L • V8 • 2WD • AUTOMATIC
Avatar
BRIANNAAALETA
  • MEMBER
  • 8 POSTS
I think my truck is having grounding issues or the ECM how would I tell? What are the symptoms of my truck having a grounding problem. I need to know where all the main ground wires are and how to fix them.
Aug 27, 2022 at 1:40 PM
Advertisement
Avatar
CARADIODOC
  • CERTIFIED EXPERT
  • 34,308 POSTS
That's like asking "what are the symptoms that tell me I need to see a doctor?" There's hundreds of things to consider, both with your doctor and with a car's electrical wiring. Rear brake / signal / tail lights will do the wrong functions if there's a broken ground at a rear corner. A center brake light simply will not turn on if it has a broken ground. Every light bulb and every motor has to have a ground circuit. Every sensor needs a ground, but very often those circuits go through a computer module first. Most computers will have multiple ground wires. Some are for redundancy in case one develops a problem. Other grounds are meant to separate high-current circuits, such as for ignition coils and injectors so their voltage spikes don't interfere with very touchy sensor ground circuits.

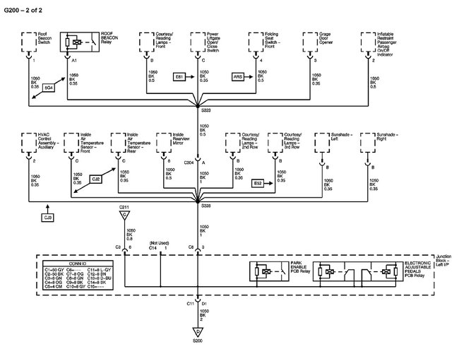
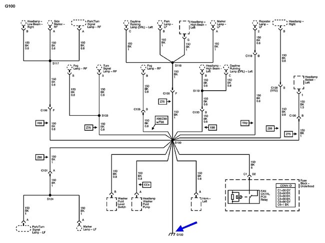
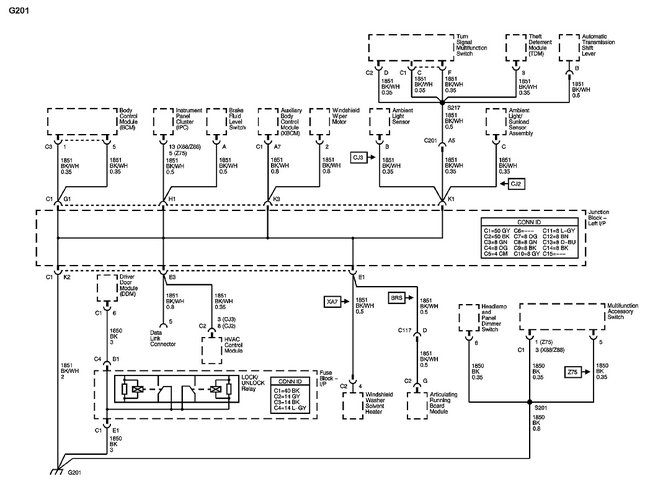
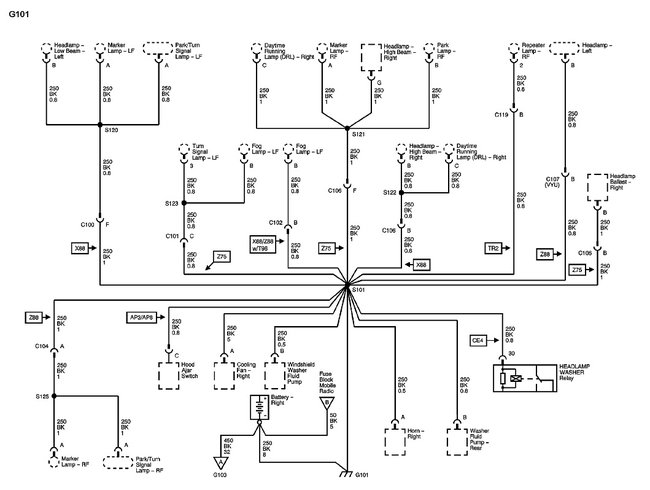
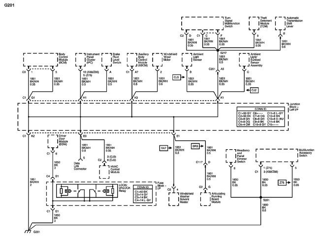
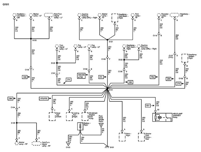
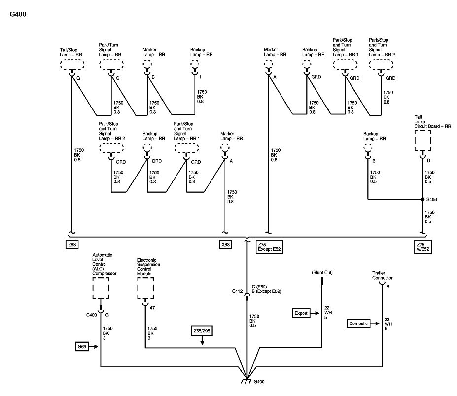
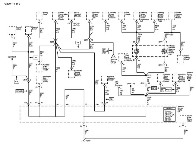
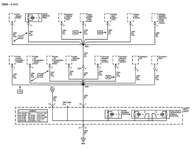
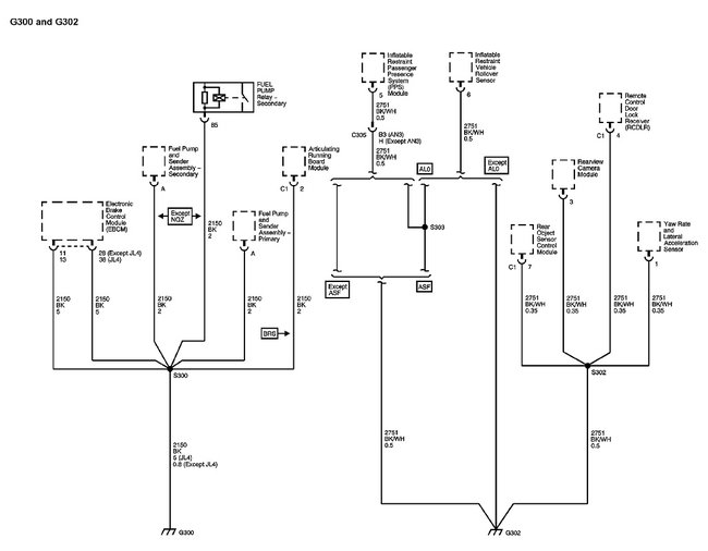
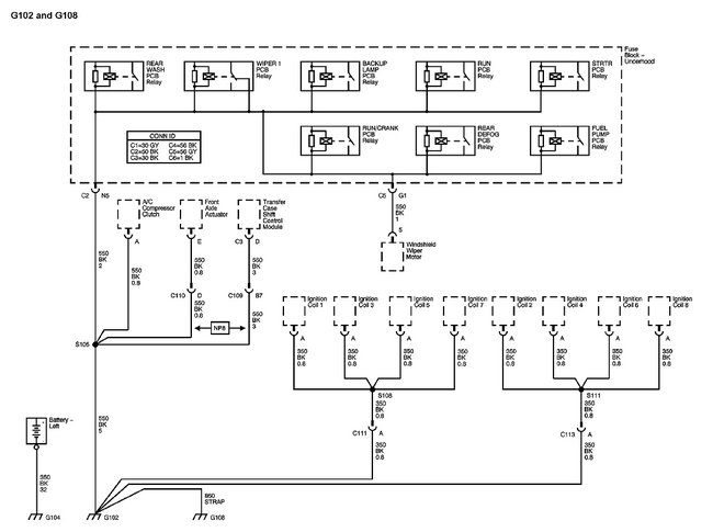
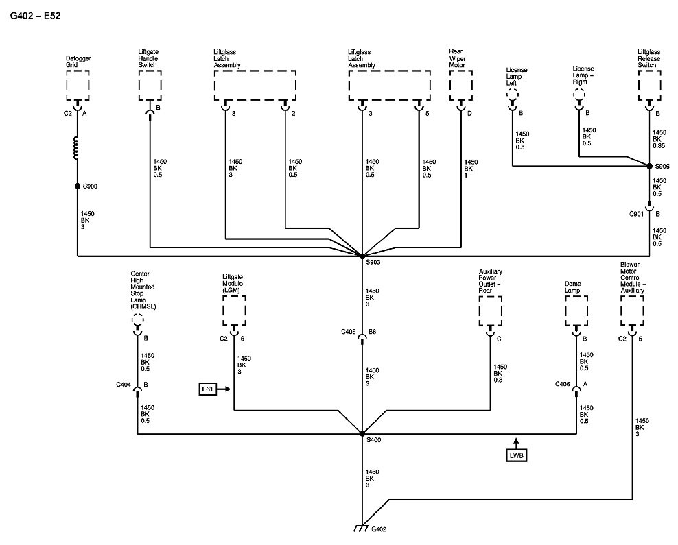
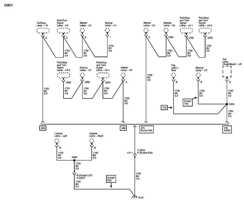
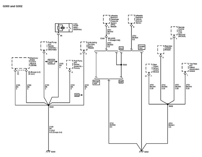
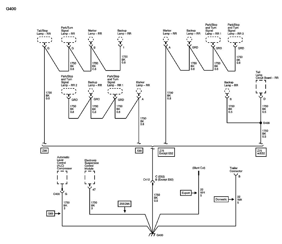
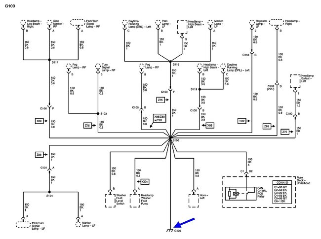
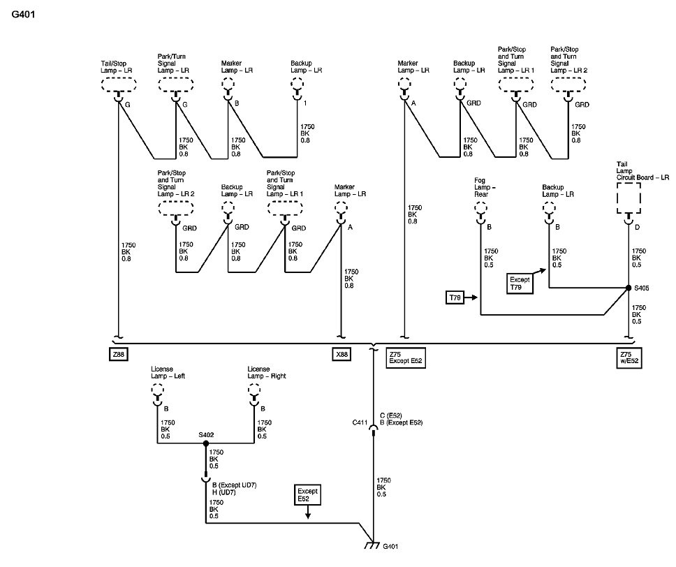
These are the diagrams that show all the ground circuits on your truck. In the first one, my blue arrow at the bottom is pointing to the symbol used to indicate the ground terminal that is bolted to the body sheet metal or frame. You'll see there are grounds for a lot of circuits that are all tied together in any one ground terminal. That means two things can happen. If a ground terminal is rusted where it bolts to the sheet metal, or the wires are corroded inside that terminal, all of those multiple circuits may be dead, or, . . . current flowing through one circuit will not be able to find its path to ground, but will "back feed" backwards through one of the other circuits, causing both circuits to try to work, but incorrectly. A real common example of this is with a bad ground at a rear light assembly, a turn signal appears to work normally until the head and tail lights are turned on, then the signal stops flashing.

What you're asking to do is look for the solution without defining the problem. That's like your doctor writing a prescription for you, then he asks why you came in to see him. We have to approach this the other way. Start with the symptom or problem, then add as much detail, observations, or seemingly unrelated clues you can find. Any history that led up to this problem is also helpful. You've already listed the mileage. We look at that, and the age of the truck, when making judgment calls as to best suspects or best places to start the diagnosis.

If you're having an engine performance or running problem, I may need to format engine sensor diagrams for us to use. Also, with running problems, the first place to start is by reading and recording any diagnostic fault codes. The people at many auto parts stores will do that for you for free, but be aware, those codes never say to replace a part or that one is bad. They only indicate the circuit or system that needs further diagnosis, or the unacceptable operating condition. There's well over 2000 potential fault codes, and only about half of them refer to things that could adversely affect emissions. Those are the codes that turn on the Check Engine light. The other half of those codes can be set, but with no Check Engine light. Many people incorrectly think the Check Engine light has to be on for there to be a code in a computer.

If you need any of these diagrams expanded for easier viewing, let me know. See how far this gets you and list any fault code numbers you come up with.
Aug 27, 2022 at 4:04 PM
Avatar
STEVE W.
  • CERTIFIED EXPERT
  • 15,116 POSTS
Ground issues can cause many different issues depending on which ground is the problem. A common ground failure on GM trucks is the ground that runs between the back of the passenger cylinder head and the truck body. The next is the ground that runs between the truck body and the frame. The easy way to test for those is to do what is known as a voltage drop test. For that you need a multimeter.

https://www.2carpros.com/articles/how-to-use-a-voltmeter

You set the meter to 10-20 volts DC then connect the ground terminal to the battery negative post. Next simply turn on the key. Now take the positive lead from the meter and touch it to the engine block at a bare metal spot. If there is a bad ground between them, you will see a voltage indicated on the meter that is higher than a very few millivolts. Now touch the probe to the trucks frame, same thing there, perfect ground should show no voltage.
You can also check the battery cables themselves the same way, Touch the probe to the ground points you want to test and see if any voltage shows. You can do the same if you connect the voltmeters positive lead to battery positive and then use the negative meter lead to check between the battery post and the positive battery power points like the back of the alternator or fuse box.
What are the symptoms you are seeing that make you think it's a ground issue?
Aug 27, 2022 at 4:06 PM
Advertisement