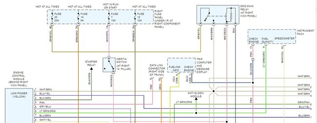
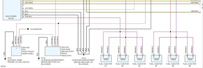
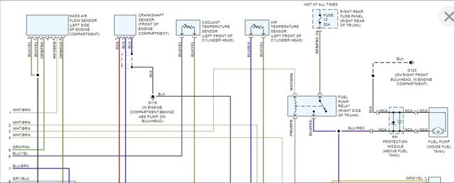
There is a small black wire on the positive side of the coil which is grounded.
When you turn the ignition on, the grounded wire is going to cancel out the ignition.
Why is the black wire grounded?
Thank you for your response.
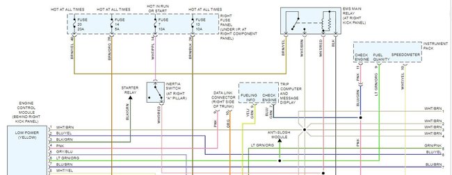
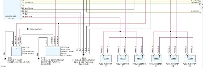
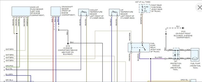
When you turn the ignition on, the grounded wire is going to cancel out the ignition.
Why is the black wire grounded?
Thank you for your response.
Jan 22, 2019 at 2:14 PM









