All of the gauges not working

2010 HYUNDAI SANTA FE
150,000 MILES • 4WD • AUTOMATIC
Avatar
CWEST1313
  • MEMBER
  • 3 POSTS
None of the gauges work.
Flashing AWD symbol looked it up and it said AWD disconnected.
Help
Feb 28, 2019 at 5:39 AM
Advertisement
Avatar
SCGRANTURISMO
  • CERTIFIED EXPERT
  • 4,897 POSTS
Hello.

This could be a blown cluster fuse (10A). I have sent you a link down below to go to.

https://www.2carpros.com/articles/how-a-car-fuse-works
https://www.2carpros.com/articles/how-to-check-a-car-fuse

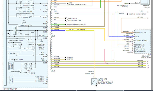
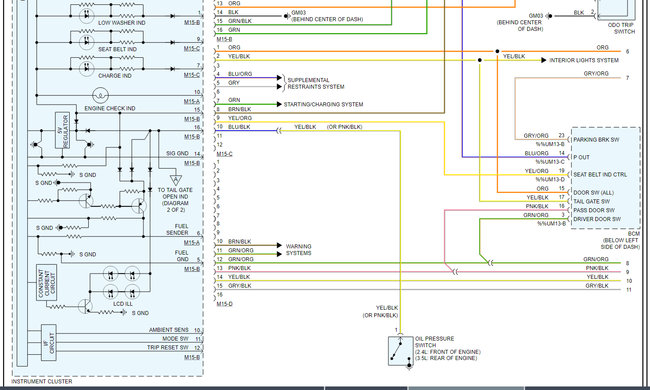
Also below I have sent vehicle specific diagrams in the diagrams below. Please go through them and get back to us with what you find out.

Thanks,
Alex
2CarPros
Feb 28, 2019 at 7:45 AM
Avatar
CWEST1313
  • MEMBER
  • 3 POSTS
Checked all fuses they are all okay.
Feb 28, 2019 at 11:08 AM
Advertisement
Avatar
SCGRANTURISMO
  • CERTIFIED EXPERT
  • 4,897 POSTS
Hello again,

Okay. Let's check the Body Control Module.

Thanks,
Alex
2CarPros
Feb 28, 2019 at 10:24 PM
Avatar
CWEST1313
  • MEMBER
  • 3 POSTS
Have you heard of a smart box that all the wiring goes to?
Mar 7, 2019 at 3:52 PM
Avatar
SCGRANTURISMO
  • CERTIFIED EXPERT
  • 4,897 POSTS
Hello again,

Okay here's what I got on the Body Control Module(BCM). The flowchart I already gave you in the first set of diagrams. Everything else is in the diagrams down below. Please go through them and get back to us with what you find out please.

Thanks,
Alex
2CarPros
Mar 8, 2019 at 11:03 PM