I am having difficulties with my vehicle trying to start?

2004 SATURN VUE
249,000 MILES • 2.2L • 4 CYL • 2WD • MANUAL
Avatar
GABBYGILBO
  • MEMBER
  • 55 POSTS
I saw wires that have no coating, could they be shorting out my starter. I'm having difficulties with my vehicle trying to start. At first it did start but then it clunked, turned off the ignition, started again, no problem. Now it does not start, I heard a click. Then no more. Random. Battery, electronic ignition module the coil pack, the alternator all good or brand new.
I'm wondering if these wires are not causing the problems, if maybe shorted out starter.
In addition, there are multiple problems with my ignition switch. It was recalled and I replaced it three times. I need to replace it again. It keeps shredding my keys. I'm a concerned that maybe my engine locked up?
Where do you think I should go from here?
Thank you in advance for your assistance.

Sent pics of wires.
Aug 18, 2023 at 7:25 PM
Advertisement
Avatar
JACOBANDNICKOLAS
  • CERTIFIED EXPERT
  • 110,175 POSTS
Hi,

For some reason, the pics didn't upload. Where are they located and if there is any insulation left on them, what color is it?

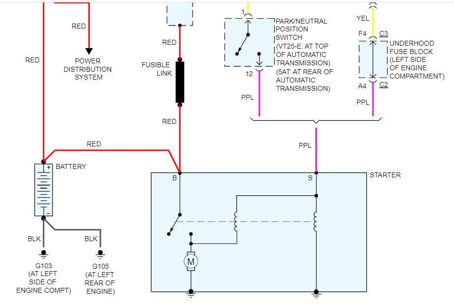
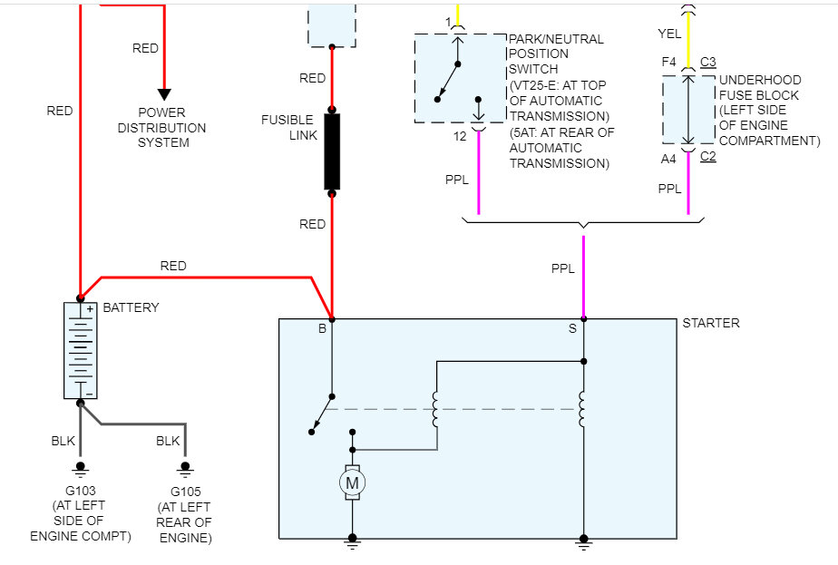
I attached the starter circuit wiring schematic below so that you have a reference. Are any of the wires on the schematic match what you are seeing?

Let me know.

Joe

See pics below. Note: I had to cut the schematic in half to make it readable. I did overlap the two.
Aug 18, 2023 at 11:15 PM