Head gasket replacement?

2001 MITSUBISHI DIAMANTE
208,687 MILES • 3.5L • 6 CYL • 2WD • AUTOMATIC
Avatar
EPIPHANY101
  • MEMBER
  • 13 POSTS
Follow up to the manifold questions...if you could provide any diagrams, advice, torque specs etc. for the rest of the project. I'm down to the exhaust manifolds and ready to remove them. It was just too hot to work on it yesterday so I will be working on it at night due to the heat. Anything you can provide would be greatly appreciated. I really wish I had found you guys sooner lol, I'm sure you would've saved me some time, money and headaches. While I'm decent at working on cars I'm not a master at it and have my moments of what the heck man! Thank you again for providing an invaluable service. Every other place you ask a question they send you to a credit card reader for pay. Thank you again. You guys' rock!!
Aug 17, 2022 at 3:46 PM
Advertisement
Avatar
SQM
  • CERTIFIED EXPERT
  • 6,383 POSTS
Hello,

We are very glad that you have found our services to be helpful.

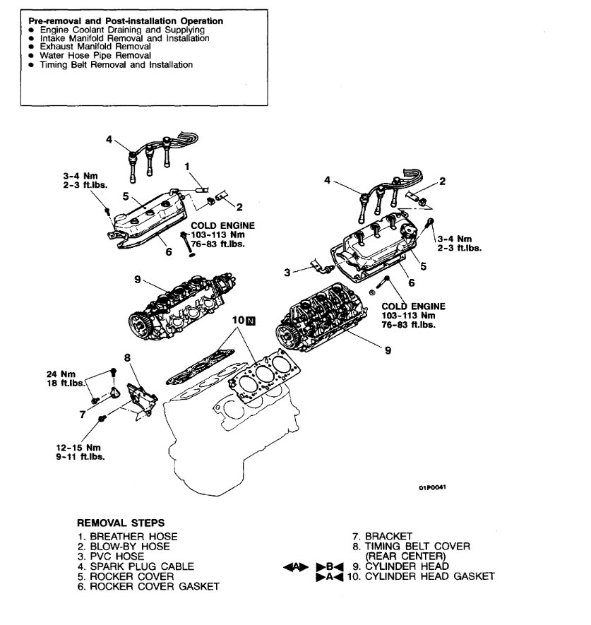
See attached for the cylinder head procedure including the torque specification and sequence.

Let me know of any questions.
Thank you.
Aug 17, 2022 at 8:47 PM
Avatar
EPIPHANY101
  • MEMBER
  • 13 POSTS
Hi guys, heads are off and waiting to get them shaved, in the meantime I could use a diagram of firing order and if possible, all vacuum lines and assorted hoses or lines. Some have broken due to old age and cracking. Once again thank you so much for all your help!!
Aug 21, 2022 at 2:56 AM
Advertisement
Avatar
SQM
  • CERTIFIED EXPERT
  • 6,383 POSTS
See attached for the firing order and vacuum diagrams.
Aug 21, 2022 at 10:28 PM
Avatar
EPIPHANY101
  • MEMBER
  • 13 POSTS
Once again you guys went above and beyond, thank you so much!!
Aug 23, 2022 at 11:57 AM
Avatar
SQM
  • CERTIFIED EXPERT
  • 6,383 POSTS
You are welcome!

Thank you for using 2CarPros.
Aug 23, 2022 at 9:23 PM