Where is the left/right headlamps fuses located?

2015 KIA SEDONA
100,000 MILES • 3.5L • V6 • 2WD • AUTOMATIC
Avatar
PACIFICISLANDER
  • MEMBER
  • 240 POSTS
Nowhere to find in all 3-fuse boxes.
Mar 29, 2022 at 12:43 PM
Advertisement
Avatar
CARADIODOC
  • CERTIFIED EXPERT
  • 34,308 POSTS
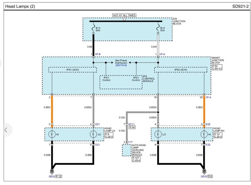
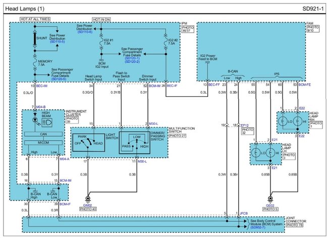
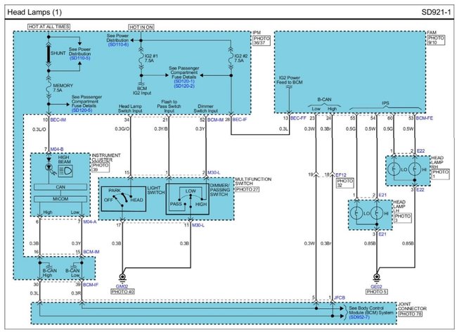
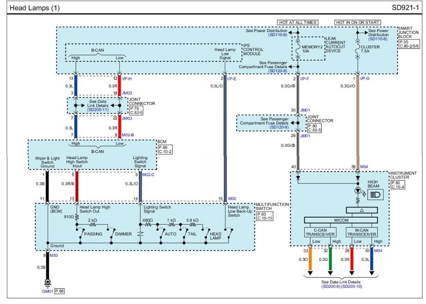
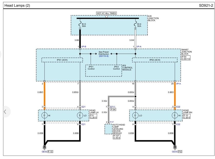
The engineers spent extra time making this as confusing as possible. These first two diagrams are for the headlight system. The third one is just the top of the second diagram expanded to make it easier to read. It shows a pair of 50-amp fuses labelled "B-3" and "B-4".

The "B+" fuses are in the engine compartment fuse box. The problem is there's five of them, and they don't specify which two are for the headlights. If you figure out which two they are, let me know and I'll add a note to the diagram.
Mar 29, 2022 at 2:40 PM
Avatar
CARADIODOC
  • CERTIFIED EXPERT
  • 34,308 POSTS
Here's a better drawing of the engine compartment fuse box. It shows the two fuses, B+3 and B+4.
Mar 29, 2022 at 3:26 PM
Advertisement
Avatar
PACIFICISLANDER
  • MEMBER
  • 240 POSTS
Sorry Mr. Randy, we have the wrong vehicle. It's a 2012 Kia Sedona appreciated, doing this for a friend.
Mar 29, 2022 at 6:19 PM
Avatar
CARADIODOC
  • CERTIFIED EXPERT
  • 34,308 POSTS
Do you remember the tv commercial where the woman found it too easy to make cookies for her family, so she splashed flour on her face to make it look like she really put a lot of effort into it? :)

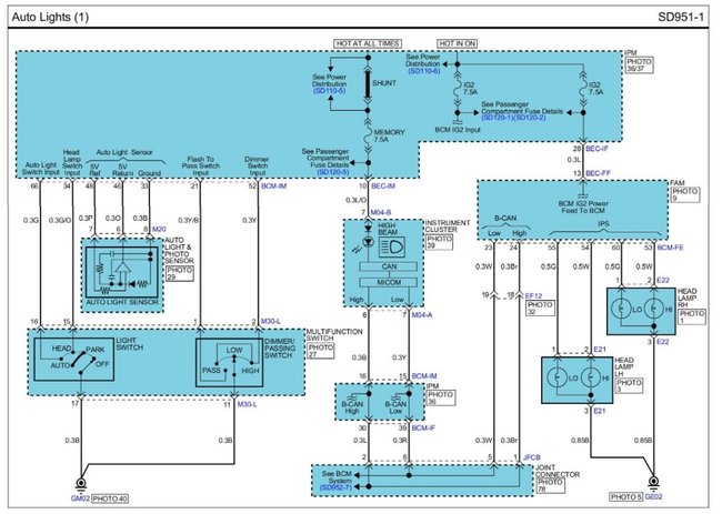
Here's the diagrams for the 2012 model. The first two are for standard headlights. The next two are for "auto" headlights. I'm going to make separate posts to reduce the confusion.
Mar 30, 2022 at 12:54 PM
Avatar
CARADIODOC
  • CERTIFIED EXPERT
  • 34,308 POSTS
These are the fuse box layouts. The first three are for the "Front Area Module", (FAM). The third one is just the rear view in case you need it.

Diagrams 4 - 6 are for the Instrument Panel Module", (IPM), and again, the third one is for the rear view.

Diagrams 7 and 8 are for the "Rear Area Module", (RAM). The rear view is included.

For good measure, the Relay Box was part of this, so I included it.
Mar 30, 2022 at 1:00 PM
Avatar
CARADIODOC
  • CERTIFIED EXPERT
  • 34,308 POSTS
This is a non-OEM diagram for the head lights. As with the manufacturer's diagrams, the red arrow is pointing to the only fuse they show feeding the front Area Module. That's a 7.5-amp fuse, (red arrow). We know that we can't handle the entire module, but they seemed fit to not show anything else.

Based on what we saw in the 2015 Diagrams, might I suggest the three 50-amp fuses, (purple arrows), are for the head lights. I'll keep looking for better information.
Mar 30, 2022 at 1:44 PM
Avatar
CARADIODOC
  • CERTIFIED EXPERT
  • 34,308 POSTS
The only other thing I found is there is a direct battery feed to the Front Area Module. The 7.5-amp fuse I pointed out in the previous post is not related to the head lights. This would suggest the three 50-amp fuses are involved, even though they couldn't be bothered to list them as such.
Mar 30, 2022 at 1:59 PM
Avatar
PACIFICISLANDER
  • MEMBER
  • 240 POSTS
Mr. Randy, can you give me the main buzzer I need to turn it off, it's irritating on the ears. Thank you very much for your cooperation.
Mar 30, 2022 at 3:02 PM
Avatar
CARADIODOC
  • CERTIFIED EXPERT
  • 34,308 POSTS
They don't list anything for the headlights specifically. I found buzzers related to the sliding power doors and the power lift gate. Will either of those help?

I did find a reference to a chime circuit, but it's listed as being part of the instrument cluster. If you have access to a scanner, go under the Instrument Cluster menu and look for "Inputs/Outputs. That should list things like door ajar switches, head light switch, seat belt switches, and anything else that can turn on the warning chime. Depending on the scanner, these items will be listed with a "No", "Off", "False", or something like that. Look for one that isn't reading as expected, or look for one that doesn't change when you open a door or latch a seat belt.
Mar 30, 2022 at 4:13 PM
Avatar
PACIFICISLANDER
  • MEMBER
  • 240 POSTS
Let me try this: need location.

They don't list anything for the headlights specifically. I found buzzers related to the sliding power doors and the power lift gate. Will either of those help?
Mar 30, 2022 at 5:18 PM
Avatar
CARADIODOC
  • CERTIFIED EXPERT
  • 34,308 POSTS
Location of what?
Mar 31, 2022 at 12:57 PM
Avatar
PACIFICISLANDER
  • MEMBER
  • 240 POSTS
They don't list anything for the headlights specifically. I found buzzers related to the sliding power doors and the power lift gate. Will either of those help?

sliding doors and lift gate, buzzer location.
Mar 31, 2022 at 1:05 PM
Avatar
CARADIODOC
  • CERTIFIED EXPERT
  • 34,308 POSTS
First, I found the drawing showing the sliding door. The diagram shows the lift gate chime is in the lift gate. The third diagram is just the lower part expanded to be easier to read.

Later I found these photos. I posted every photo related to the two power sliding doors and everything for the lift gate. Note that they do show the chime locations.
Mar 31, 2022 at 2:09 PM
Avatar
PACIFICISLANDER
  • MEMBER
  • 240 POSTS
can you find the buzzer beneath the steering column? The problem is it stops sounding off when i step on the brake and stops when i start moving. i appreciate all your help. Thank you so much.

Help me find it, its driving me crazy when driving or at least the fuse that powers it.
Mar 31, 2022 at 4:19 PM
Avatar
CARADIODOC
  • CERTIFIED EXPERT
  • 34,308 POSTS
This is what's shown for the dash.

The third diagram shows the buzzer near the lower left, (orange arrow), and it's fed from a 7.5-amp fuse, (purple arrow). That fuse also feeds a number of other circuits, so removal isn't a good option.

If you can't read these diagrams, we have two options. You can copy and paste it into a typing program, (I use MS Word 97), then expand it, which usually turns it too fuzzy to read, or I can cut it into pieces and expand them separately for you.
Apr 1, 2022 at 1:43 PM
Avatar
PACIFICISLANDER
  • MEMBER
  • 240 POSTS
I can cut it into pieces and expand them separately for you-please do so, sure appreciated.
Apr 1, 2022 at 3:06 PM
Avatar
CARADIODOC
  • CERTIFIED EXPERT
  • 34,308 POSTS
Here's the diagram in four pieces.
Apr 1, 2022 at 4:31 PM