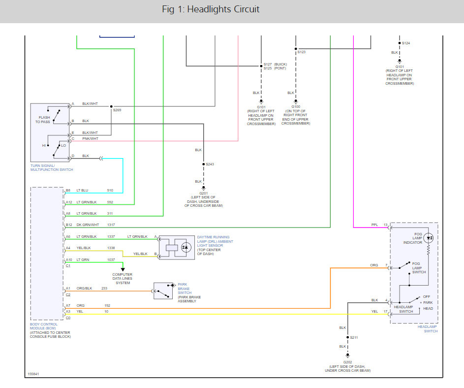
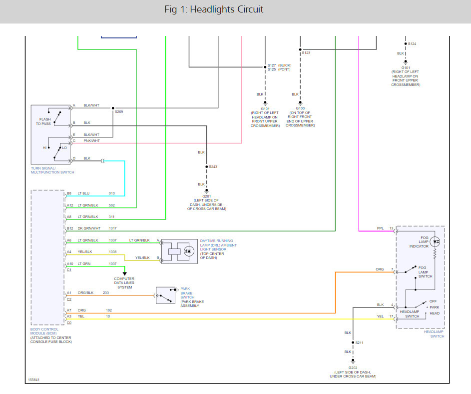
I have replaced multifunction switch, the relays, tested the fuses. I took a flip switch that was connected to my AC relay and put it to my lights, they turned on then started working but then it smelled like the relay was burning.
Jan 24, 2021 at 6:36 PM













