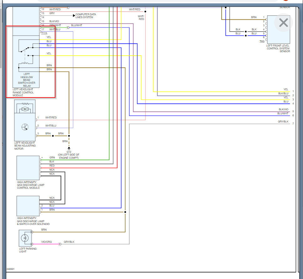
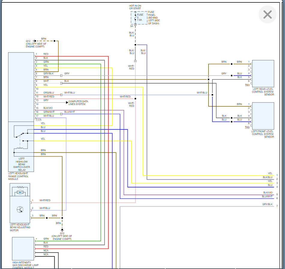
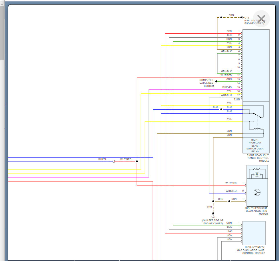
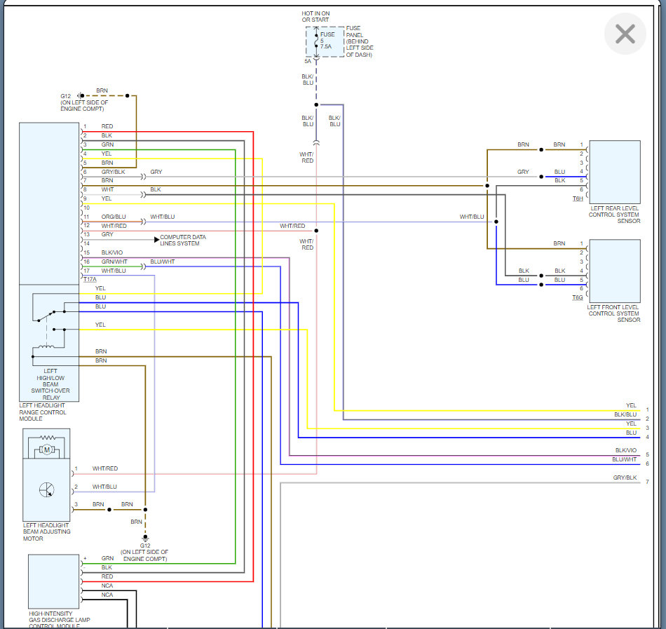
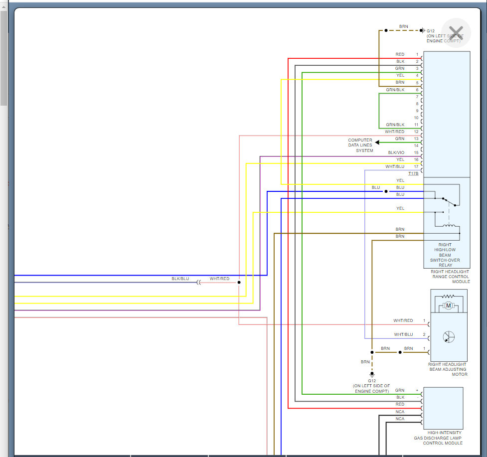
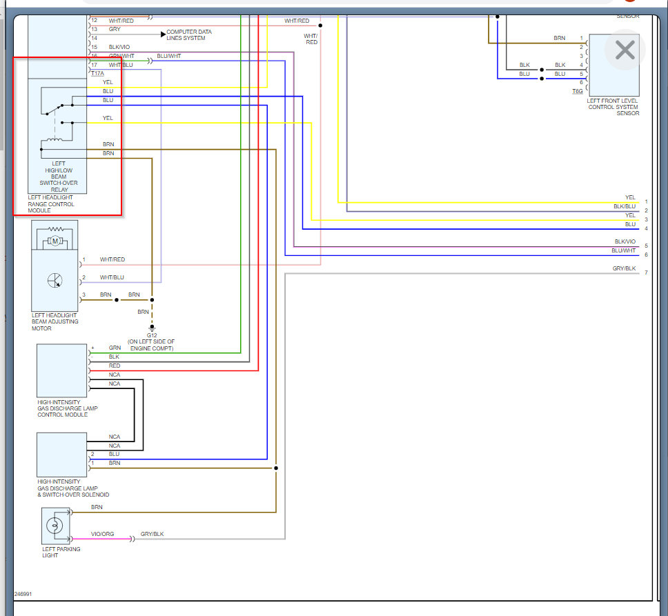
Just to jump in on this, sorry for the delay. Yes, since you have HID lamps you have a relay that is part of the control module that is most likely the issue.
Unfortunately I do not show this relay as being serviced separate.
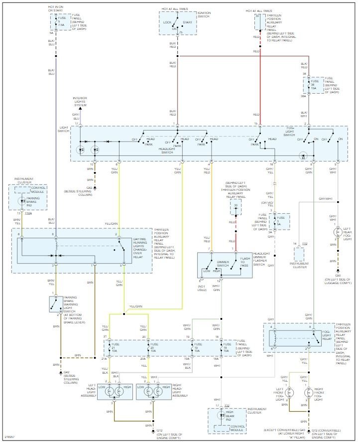
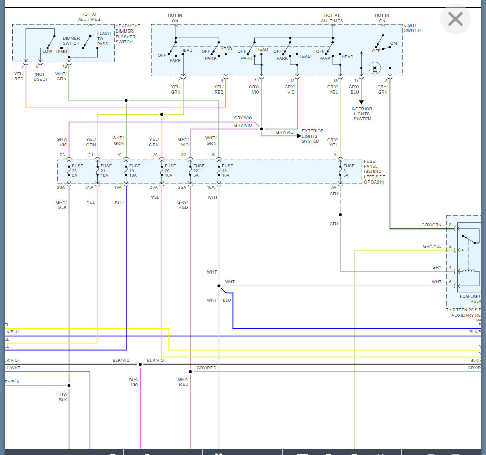
So I am attached the process below on the assembly and the wiring diagram that shows each individual light that has its own control system including relay.
If it were me I would check the voltage coming out of the relay to the lamp on the brown wire and see if there is 12 volts when they are turned on but this lamp is out.
https://www.2carpros.com/articles/how-to-check-wiring
If there is no voltage then that relay is open and most likely is the issue.
Please let us know if you have other questions or how you make out with this.
Images (Click to enlarge)
Aug 30, 2021 at 4:24 PM