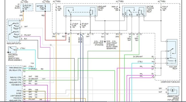
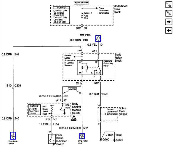
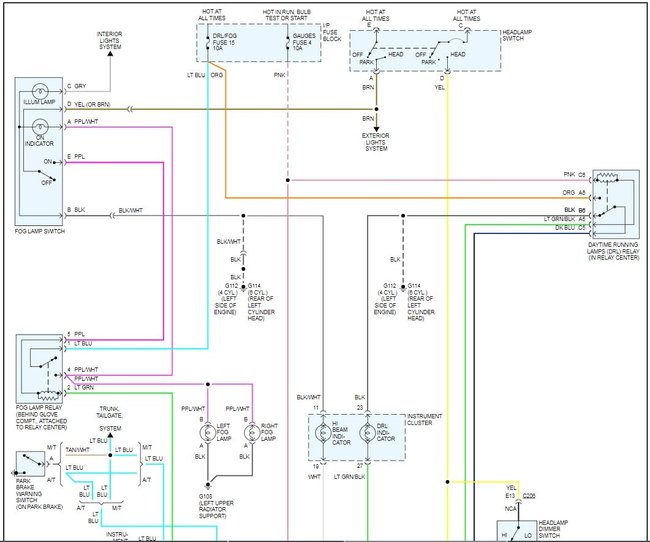
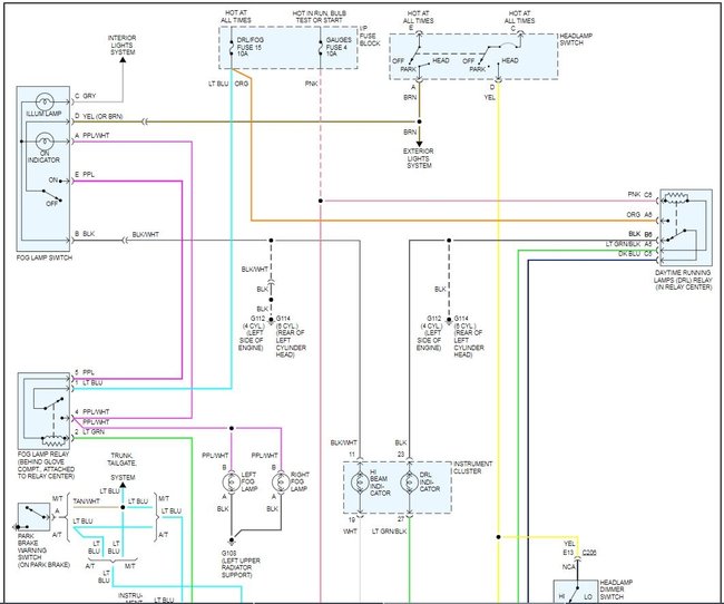
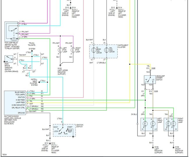
My headlights and all running lights come on automatically and all exterior lights work perfectly during the day. At night my headlights do not come on automatically or work by the light switch, but all running lights, taillights and brake lights work perfect automatically or with the switch. I have cleaned the senor on the dash and checked what fuses I knew of and all seems fine. Please help, I do not like driving my wife's Jeep, lol.
Jul 9, 2018 at 7:28 PM
















