My low beam/DRL/ headlights are not working

2008 FORD EXPLORER
120,000 MILES • 4.6L • V8 • 4WD • AUTOMATIC
Avatar
MATTHEWBOUX
  • MEMBER
  • 24 POSTS
My low beam/DRL/ headlights are not working. The parking lights work, high beams work, fog lights work so I am assuming it is not the headlight switch ?!

- Not the bulbs
- Not the fuses ( tested 29 and 34 in fuse box - confirmed power )

I have no power at the headlight bulb end of the harness? No loose connections.At first it was the right side light, now it is both sides.. I am lost I have been through most anything I can think of. Please help.
Jan 18, 2020 at 6:49 PM
Advertisement
Avatar
KASEKENNY
  • CERTIFIED EXPERT
  • 18,907 POSTS
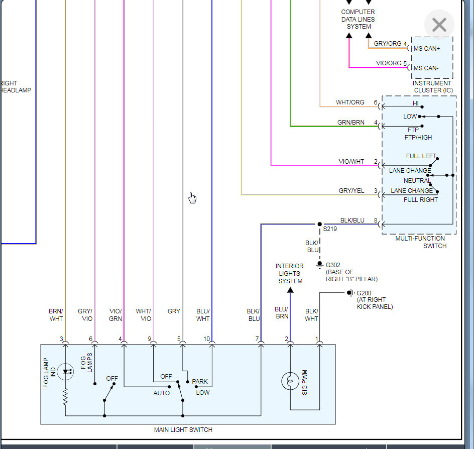
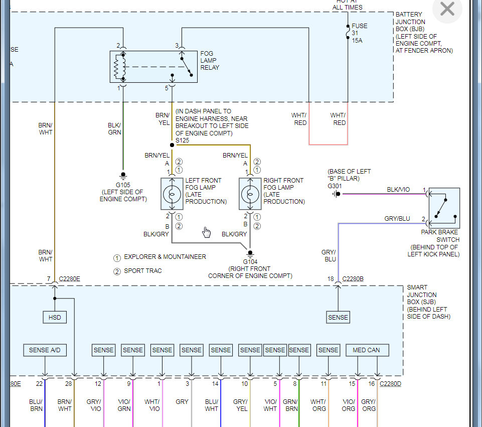
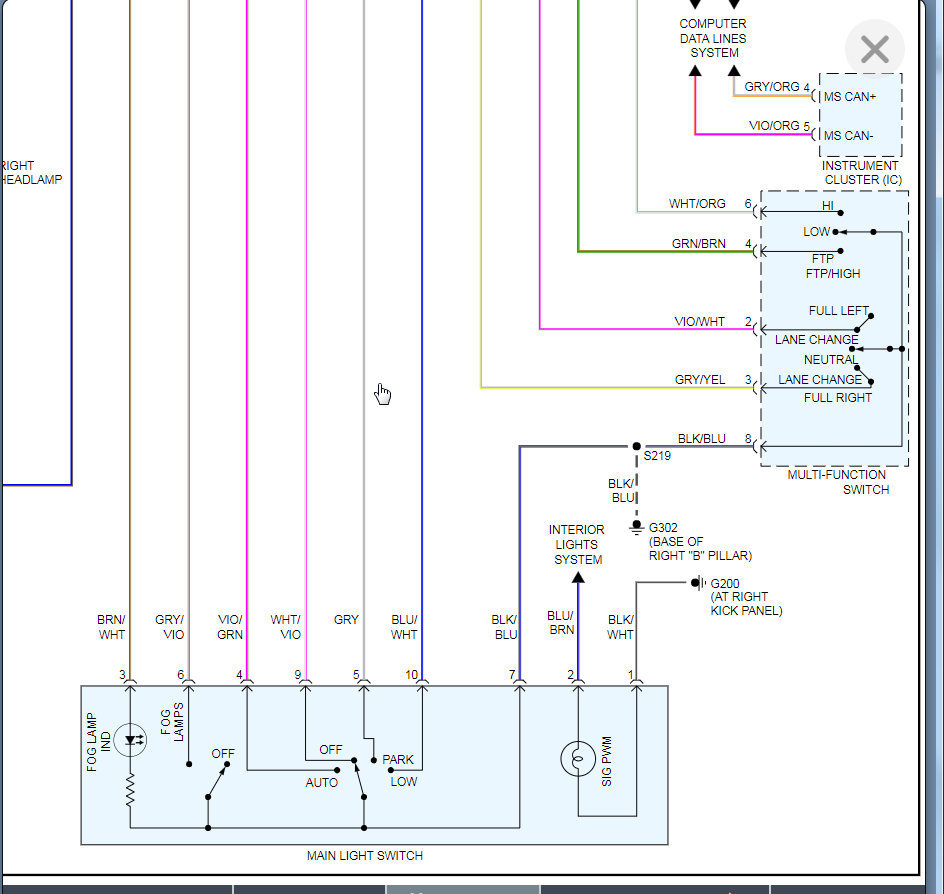
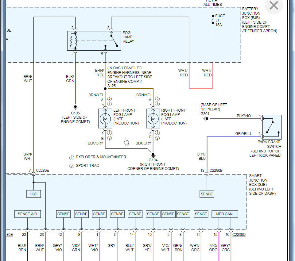
This very well could be the switch. What I would do is go to the smart junction box and measure voltage on the Blue/White wire in pin 14. This sounds be the low beam signal from the switch. If you have power on this wire at the smart junction box when the lights are in low then it is not the switch but the junction box.

Let me know if you have questions. Thanks
Jan 19, 2020 at 12:07 PM
Avatar
TG53
  • MEMBER
  • 5 POSTS
What should the voltage be at pin 14? I only have 3v at the pin and the same at the headlight connectors on both sides. I have 12v going into the SJB from the Battery Junction box.
Oct 11, 2020 at 2:04 PM
Advertisement
Avatar
KASEKENNY
  • CERTIFIED EXPERT
  • 18,907 POSTS
If you take a look at the SJB it says that wire is a sense wire. That means it is a 5 volt circuit. So 3 volts makes sense when you have the switch on low beams.

This is actually good because that confirms you have the switch telling the SJB to turn on the lights. However, if you have no voltage on pins 3 and 20 coming out of the SJB then that means the SJB is the issue.

Let me know what you find. Thanks
Oct 12, 2020 at 7:12 PM