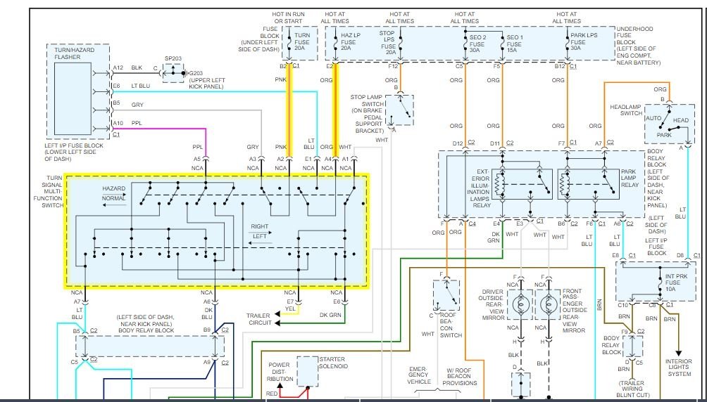
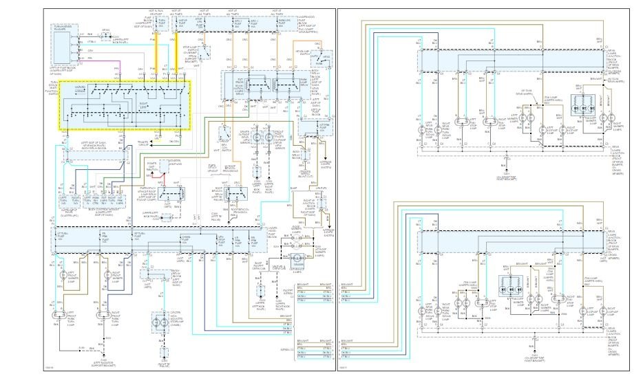
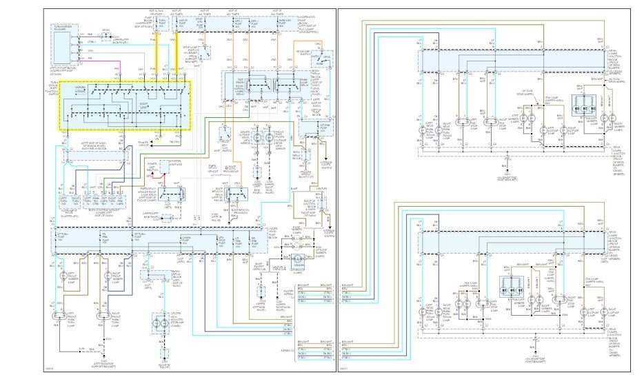
Replaced combination switch because of a short and loose wire. replaced light control switch which turns on and off lights with the dimmer wheel on it. still no lights.
Apr 20, 2019 at 2:36 PM

