Headlights not working?

2004 CHEVROLET BLAZER
156,000 MILES • 4.3L • V6 • 4WD • AUTOMATIC
Avatar
CARGRFX1
  • MEMBER
  • 1 POST
I have an S10 Blazer, the day time running lights are on and work fine but at night my headlights do not come on and even if I manually turn the switch to the headlights on it doesn’t work. I tried tapping on the dash and sometimes the would work, and then some times the headlights would work but when I shut the car off and then go back an hour later to go home they would not work. Can you give me some advice as to what to try? Could it be just the switch in the dash? I have it at an electrical shop but they can’t find the problem, any advice would be helpful. Thanks.
Sep 17, 2020 at 1:55 PM
Advertisement
Avatar
DANNY L
  • CERTIFIED EXPERT
  • 5,648 POSTS
Hello, I'm Danny.

Have you had them test the headlamp power relay? Sounds like it might be the problem.Here is a tutorial showing how to test a relay using a test light or meter:

https://www.2carpros.com/articles/how-to-use-a-test-light-circuit-tester

https://www.2carpros.com/articles/how-to-use-a-voltmeter

https://www.2carpros.com/articles/how-to-check-an-electrical-relay-and-wiring-control-circuit

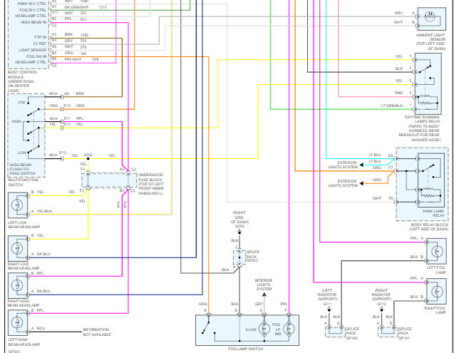
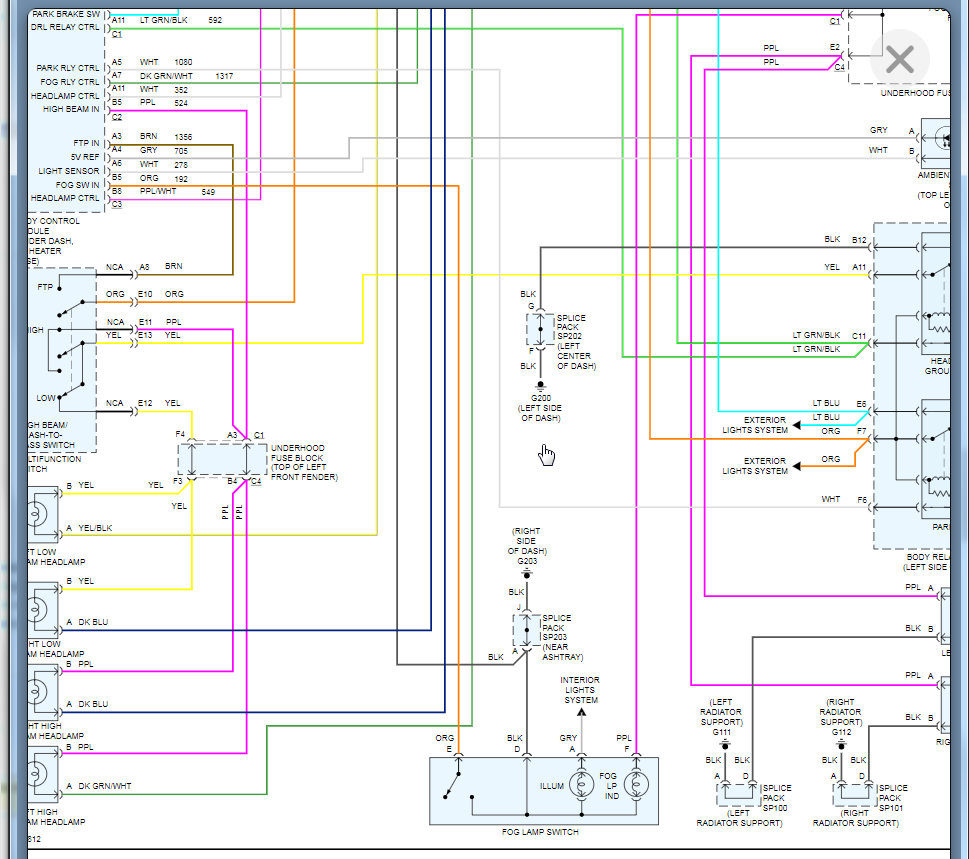
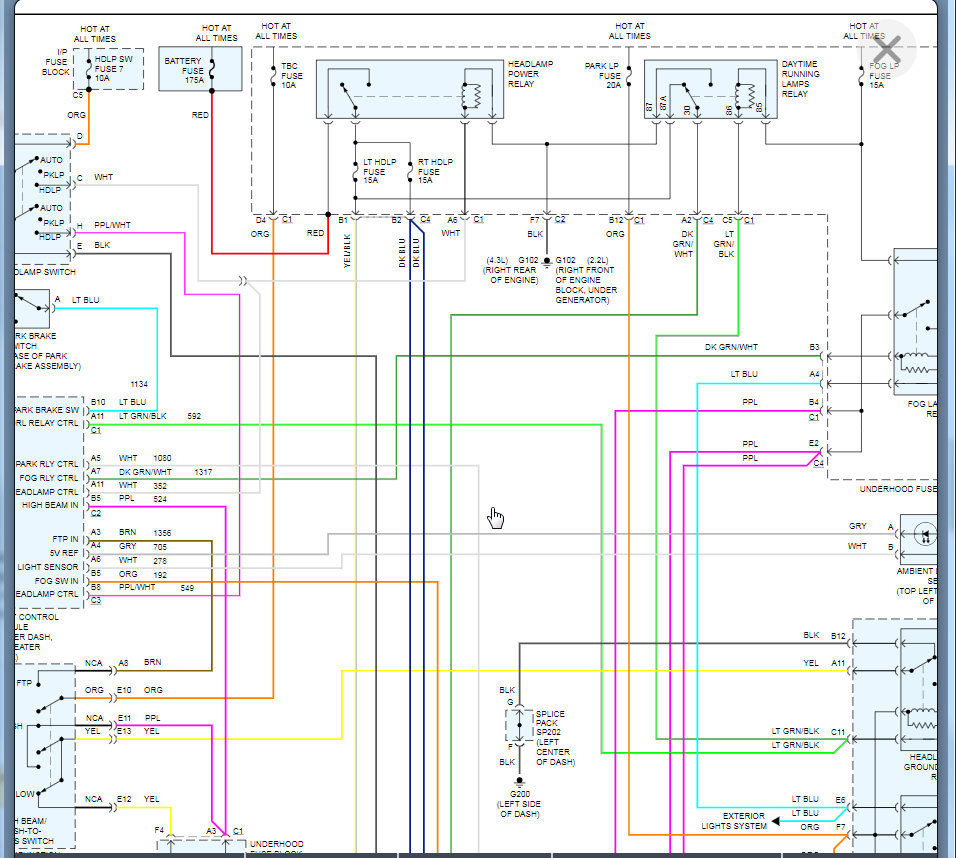
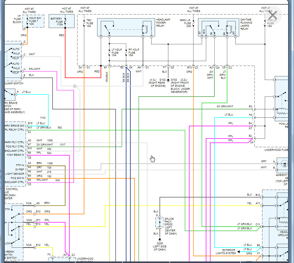
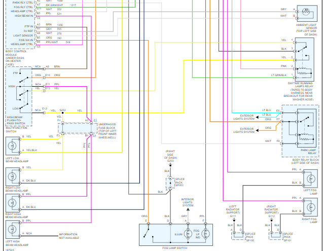
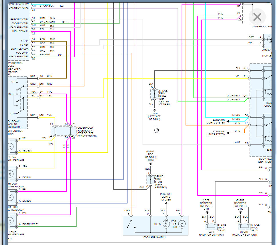
I've attached the headlight wiring diagram for your vehicle below. I've circled in red where the relay is located. I've cut the picture in half so you can view larger.Keep us updated and let us know if you have any further questions on this.Hope this helps and thanks for using 2CarPros.
Sep 17, 2020 at 2:08 PM
Avatar
BWTKYFK
  • MEMBER
  • 1 POST
I had the alternator and battery replaced about a month ago and now the vehicle will start up but I have no headlights,no interior lights,no speedometer lights,no other kind of lights either. What could te problem be?

The problem was that the new alternator that was put in a few weeks ago was bad, so the alternator had to be replaced again.
Jul 28, 2021 at 1:12 PM (Merged)
Advertisement
Avatar
KASEKENNY
  • CERTIFIED EXPERT
  • 18,907 POSTS
This could be a number of things but since the alternator was just changed then we need to check this and make sure it is operating properly as this could all be what is called load shedding. When the alternator is not charging properly, the PCM starts shutting down systems so the battery doesn't complete drain.

https://www.2carpros.com/articles/how-to-check-a-car-alternator

If the alternator checks out then we need to start testing for voltage to see where we are loosing it.

https://www.2carpros.com/articles/how-to-check-wiring

Below is the wiring diagram that will help with tracking this down.

Please let us know if you have questions. Thanks
Jul 28, 2021 at 1:12 PM (Merged)
Avatar
KENREED872
  • MEMBER
  • 1 POST
I do not have low beam headlights at night. I do have the low beams during the day as the daytime running lights. I do have high beam head lights at night & during the day. My blazer is equiped with automatic activating headlights that dont require me turning them on manually. I dont have low bean headlights when I do turn the lights on manually. Also I have the high mounted brake light that isnt working. how do i get that to work??
Jul 28, 2021 at 1:13 PM (Merged)
Avatar
KASEKENNY
  • CERTIFIED EXPERT
  • 18,907 POSTS
This is due to one of two reasons. Either you have a head lamp relay issue (you have a separate relay for Daytime running light) or it is the body computer not grounding the relay. It is unlikely to be a switch but due to this being an auto headlamp vehicle, it could be. So let's come back to that if the BCM and relay check out.

https://www.2carpros.com/articles/how-to-check-wiring

We need to check voltage coming from the relay and then make sure the relay is not the issue.

Here is a guide that will help with this:

https://www.2carpros.com/articles/how-to-check-an-electrical-relay-and-wiring-control-circuit

Below is the wiring diagram that will give the detail needed that will give you the detail that you need.

Let us know what you find and we can go from there. Thanks
Jul 28, 2021 at 1:13 PM (Merged)
Avatar
GREEN4391
  • MEMBER
  • 2 POSTS
headlights don't work but every other lights work.
Jul 28, 2021 at 1:13 PM (Merged)
Avatar
D6SPAN
  • CERTIFIED EXPERT
  • 58 POSTS
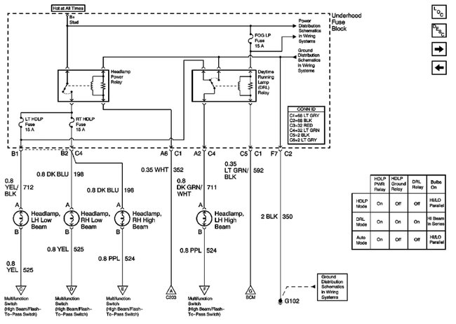
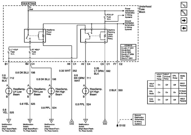
Hi! Since the headlights are the only thing that doesn't work, first thing I would check would be the headlamp relay which is under the hood in a black box. You can test it with a voltmeter (I'll include an article on how to do that) or you can switch the headlamp relay with one that is the same size and amperage to see if it comes on. If it does, just go get a new relay. If it doesn't, then we'll have to go from there. I'm also attaching the schematic for the headlamp relay so you can see the flow of power from the battery positive to the relay before it goes to the headlights.

How To Test A Relay
https://www.2carpros.com/articles/how-to-check-an-electrical-relay-and-wiring-control-circuit
How To Use A Voltmeter
https://www.2carpros.com/articles/how-to-use-a-voltmeter
Jul 28, 2021 at 1:13 PM (Merged)
Avatar
1998
  • MEMBER
  • 1 POST
I have daytime lights and I can turn running lights on by the switch but I cannot turn headlights on with the switch. I lose my daytime lights at night. Checked the BCM, fuses, grounds and my high beam switch will not work and I have a constant clicking from the flasher. What is going on with this thing?
Jul 28, 2021 at 1:40 PM (Merged)
Avatar
HMAC300
  • CERTIFIED EXPERT
  • 48,601 POSTS
it may be a bad multi function switch there are two headlight relays one for power and other for ground. check both with a like relay if you have one. they are both in under hood fuse box. also check battery to body ground as it maybe corroded.
Jul 28, 2021 at 1:40 PM (Merged)