Heat not working

2001 LINCOLN TOWN CAR
125,000 MILES
Avatar
BIGMAN187
  • MEMBER
  • 1 POST
heater climate control not working the lights on the climate control work.
Jan 9, 2017 at 6:41 PM
Advertisement
Avatar
STRAILER
  • CERTIFIED EXPERT
  • 53,855 POSTS
Hey BIGMAN187,

We have an excellent guide to fix your heater please check it out and get back to us.


https://www.2carpros.com/articles/car-heater-not-working

Please let us know happens so it will help others.

Best, Ken

Jan 15, 2017 at 12:01 AM
Avatar
USFCIRE
  • MEMBER
  • 30 POSTS
Heater problem
2001 Lincoln Town Car V8 Automatic

I have a friend at church who has a 2001 Lincoln towncar which has been in the shop going on three weeks trying to solve a single problem, the heater won't blow hot air or even warm air. The A/C works just great and the fan blows, but for one reason or another the heather does not. The hoses going to the heater are hot, but something is stopping the heat from coming into the car. Any ideas that i can give him?
Dec 17, 2020 at 8:05 AM (Merged)
Advertisement
Avatar
BLUELIGHTNIN6
  • CERTIFIED EXPERT
  • 16,542 POSTS
Hello



This is normally caused by a failed or clogged heater core. If it is clogged than you may even notice some engine overheating. If the heater core is not clogged but has just failed than only issue would be no heat.
Dec 17, 2020 at 8:05 AM (Merged)
Avatar
ROSE REEVES
  • MEMBER
  • 1 POST
Heater problem
1999 Lincoln Town Car V8 Automatic 68,000 miles

Bought the car two days ago and the heater worked - Now it will not work
Dec 17, 2020 at 8:06 AM (Merged)
Avatar
RICK 08
  • MEMBER
  • 54 POSTS
Since it has been some time I expect you have resolved the problem, If not...
Is the engin temp gauge showing a normal temp after 10-20 min of driving ?
Is the blower giving you any air?
Is the antifreze level Ok?
need more info..
Dec 17, 2020 at 8:06 AM (Merged)
Avatar
THOMYLC
  • MEMBER
  • 1 POST
How do I repair heater? No heat is coming out only cold air, their seems to be a mist that covers windows and car overheats if heater is turned on.

Can I repair without having to replace heater core?
Dec 17, 2020 at 8:06 AM (Merged)
Avatar
FLEXY5
  • CERTIFIED EXPERT
  • 512 POSTS
You need a heater core. Bottom line, the dash needs to come out. If you'd like I can walk you through the general process, but it will take you about 8 hours to do. Let me know.
Dec 17, 2020 at 8:06 AM (Merged)
Avatar
DREAMMONEY
  • MEMBER
  • 1 POST
i cut heat on and only cold air comes out how can I make it work again..thank you
Dec 17, 2020 at 8:06 AM (Merged)
Avatar
CARADIODOC
  • CERTIFIED EXPERT
  • 34,307 POSTS
Depends on the cause. First feel the upper radiator hose once the engine has warmed up. It should be too hot to hold onto for very long. If it is not, suspect the thermostat. If it is, feel the heater hoses. If they're cool, suspect a plugged heater core or, if your car uses one, the water control valve might not be opening. If those hoses are hot, suspect an actuator problem with the heater box. Ford does have more than their share of actuator problems.
Dec 17, 2020 at 8:06 AM (Merged)
Avatar
MILKANDCOOKIES
  • MEMBER
  • 3 POSTS
Heater problem Two Wheel Drive Automatic 175000 miles
----------------------------------------------------------------
Can you tell me where the heater control valve is located on a 97 Lincoln Town Car 4.6 L? Is it under the windshield wiper motor my heater is not working and I think that is why.

The heater is blowing cold air. I have the manual which in troubleshooting section says it would be the thermostat, the coolant level, or the heater control valve. I have eliminated the first two. I bought the part at parts store but don't see the same part under the hood. Any suggestions about where it would be? My heater is not working

I love this site
Dec 17, 2020 at 8:06 AM (Merged)
Avatar
RASMATAZ
  • CERTIFIED EXPERT
  • 75,992 POSTS
Your car does not have a heater control valve the problem is most likely the temperature blend door actuator has gone out and needs replace. Here is a guide that will show you what you are in for when doing the repair.

https://www.2carpros.com/articles/replace-blend-door-motor

Here is another guide that can help

https://www.2carpros.com/articles/car-heater-not-working

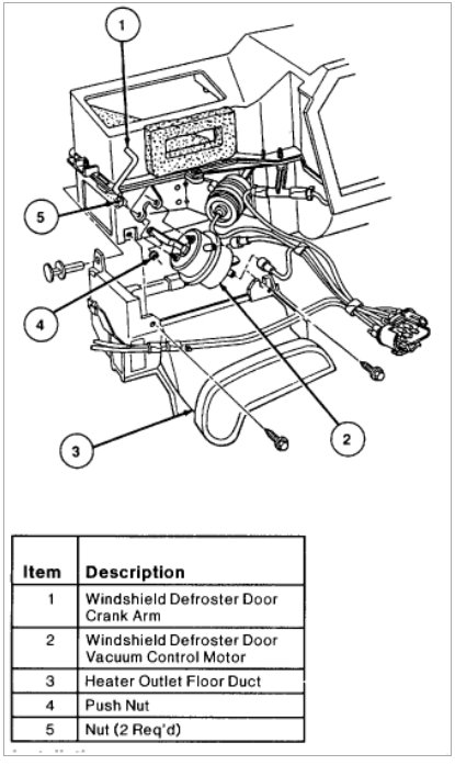
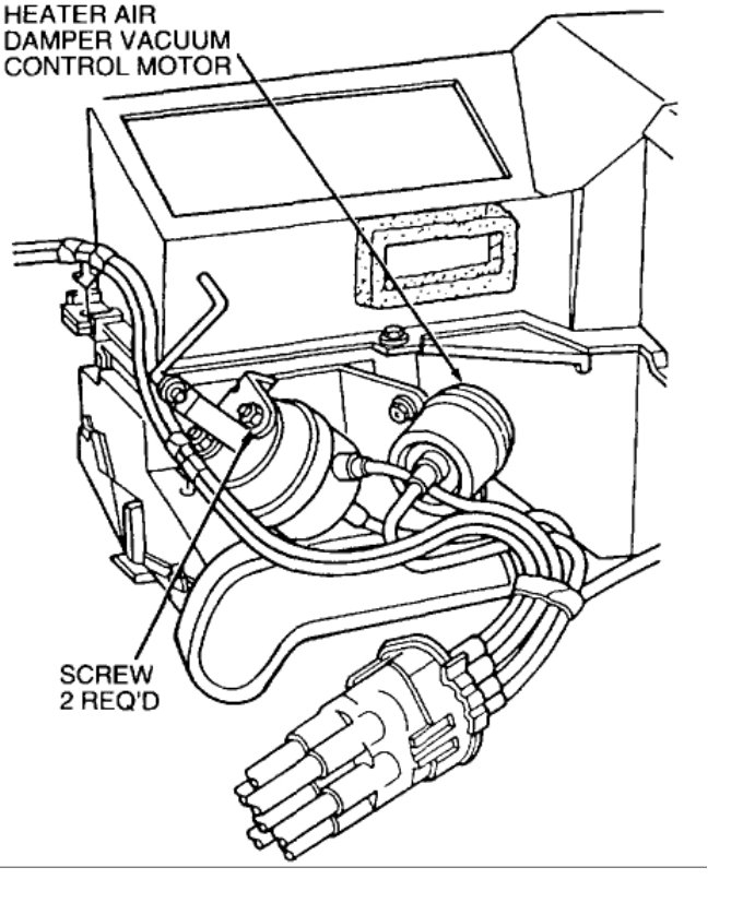
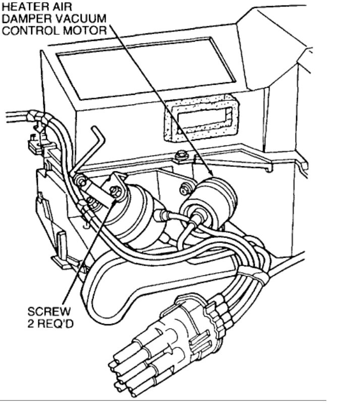
Here is the location of the temperature blend door actuator for your car (below)

Also check for vacuum leaks under the hood this guide will show you what to look for

https://www.2carpros.com/articles/air-vents-stay-in-the-defrost-position

Please let us know what happens.

Cheers
Dec 17, 2020 at 8:06 AM (Merged)
Avatar
MERLIN2021
  • CERTIFIED EXPERT
  • 17,250 POSTS
Try warming the Vehicle, then carefully feel the heater hoses, are they both hot? If one is cooler than the other, You need to flush the core, or a replacement job on the heater core.
it's possible that the temperature blend door is stuck. The shaft it swings on is metal, and over time they tend to rust and binde up, operated the temp knob while you look for or feel for the actuator that moves that door, some actuators ar vacuum operated, some electrical. Either these motors, called servo motors can go bad or the above mentioned issue! If the shaft is frozen, try a small drill bit at the base of the shaft, drill thru the plastic and spray some white lithium grease in there, if you can move it by hand, so much the better! Work it back and forth till it moves freely!
Try this press off and floor at the same time, then within 2 seconds press auto, if it comes up with a fault code post it here.
Dec 17, 2020 at 8:06 AM (Merged)
Avatar
MILKANDCOOKIES
  • MEMBER
  • 3 POSTS
Merlin2021 I did as you prescribed, pushing the buttons that you mentioned. There was a pause with a little light going around. Then I heard a clicking noise in the dash. Then the numbers 024 and 025 began flashing... Wait it gets better... Then I turned off the car and turned it back on and the heater started working. AWESOME!! Now I don't know if the problem is fixed, but hopefully this information will give you a better idea of what my problem is/was. Thanks man!
Dec 17, 2020 at 8:06 AM (Merged)
Avatar
MERLIN2021
  • CERTIFIED EXPERT
  • 17,250 POSTS
Hers the in depth testing in case you need it...


https://www.2carpros.com/forum/automotive_pictures/62217_Codes_2.jpg


https://www.2carpros.com/forum/automotive_pictures/62217_Tests_2.jpg


https://www.2carpros.com/forum/automotive_pictures/62217_Tests2_1.jpg


https://www.2carpros.com/forum/automotive_pictures/62217_Tests3_1.jpg


https://www.2carpros.com/forum/automotive_pictures/62217_Tests4_1.jpg


https://www.2carpros.com/forum/automotive_pictures/62217_Tests5_1.jpg


https://www.2carpros.com/forum/automotive_pictures/62217_Connectors_1.jpg

Dec 17, 2020 at 8:06 AM (Merged)
Avatar
ROYS101
  • MEMBER
  • 6 POSTS
Try this press off and floor at the same time, then within 2 seconds press auto, if it comes up with a fault code post it here.[/quote]


I did just what MilkandCookies did, and it worked for me too!!! Merlin2021 you are awesome. My heater woks again!!!
Dec 17, 2020 at 8:06 AM (Merged)
Avatar
BILL BEEMER
  • MEMBER
  • 2 POSTS
My car may be different, pressed the off floor at the same time, then auto; codes 24 then 16 came up. Whats up?
Dec 17, 2020 at 8:06 AM (Merged)
Avatar
BILL BEEMER
  • MEMBER
  • 2 POSTS
Sorry,
It is a 99 Town car 175000 mi. It has new intake with aluminum coolant passage, and new thermostat. Heater doesnt blow hot. I depressed the off and floor on the heater control and it flashed the #24 then #16. Any help appreciated, anymore info you need to help me I will try to get. Thanks.
Dec 17, 2020 at 8:06 AM (Merged)
Avatar
MANNYSUR
  • MEMBER
  • 1 POST
Dear sir.Thanks for your great post.And once that I did the self diagnostic it came codes 24,25 and 115 wich are the temp. blend door activator and the engine coolant temp. sensor.Could you please have the way to indicate where this items are located on the vehicle?If possible with a diagram?Thanks in advance for your time.Manny.
Dec 17, 2020 at 8:06 AM (Merged)
Avatar
JOE WATTS
  • MEMBER
  • 1 POST
If I cant afford to fix this thing and dont have the time or patience to pull the dash, is there anything I can do? Mine is stuck on AC and I got the 2425 error code. I dont care if it never blows cold again because I'm likely going to ghost ride it into a ravine ASAP
Dec 17, 2020 at 8:06 AM (Merged)
Avatar
GATOR007
  • MEMBER
  • 2 POSTS
I got a 1997 Lincoln town car, applyed the your test ,,,for when your heater blown cold air. The numbers display are: 24 , 125, 115 could you assit me to where thos part are located an where to start first.
thanks in advance.
Dec 17, 2020 at 8:08 AM (Merged)
Avatar
JACOBANDNICKOLAS
  • CERTIFIED EXPERT
  • 110,175 POSTS
This could be the result of several things. Check these things first before relacing any components:

Coolant level
Coolant system, water pump, fan
Is the engine running at a normal operating temp?

Let me know. Also, with the engine hot, the heater on high, do both heater core hoses get hot?

Joe
Dec 17, 2020 at 8:08 AM (Merged)
Avatar
GATOR007
  • MEMBER
  • 2 POSTS
Ive check the heater core hose not hot.
Dec 17, 2020 at 8:08 AM (Merged)
Avatar
JACOBANDNICKOLAS
  • CERTIFIED EXPERT
  • 110,175 POSTS
My first guess is that the heater core is plugged. I recommend trying to flush it.
Dec 17, 2020 at 8:08 AM (Merged)