Heated and/or cooled seats do not work

2010 LINCOLN MKZ
140,000 MILES • 3.5L • V6 • 2WD • AUTOMATIC
Avatar
WCLEVELAND
  • MEMBER
  • 1 POST
When buttons are pressed the light comes on for about 3 seconds and goes off. The 30amp fuse under hood for this seems to check out good. Any ideas?
Jan 26, 2022 at 11:12 AM
Advertisement
Avatar
KASEKENNY
  • CERTIFIED EXPERT
  • 18,907 POSTS
The fact that the button is turning on shows that the HVAC unit in the dash has power and is trying to activate the system.

The light shuts off because it is not getting the correct signal return from the heated seat module.

Do both buttons do the same thing for both front seats?

If they do then the likely issue is the heated seat module.

We need to start with checking for codes and see if there are any codes in the heated seat module.

https://www.2carpros.com/articles/checking-a-service-engine-soon-or-check-engine-light-on-or-flashing

If there are no codes, then we need to start checking voltage at the heated seat module on the low and high circuits for each seat.

I am sure you will get the voltage going into the module, but you should also have voltage leaving the heated seats going to the seat cushions.

https://www.2carpros.com/articles/how-to-check-wiring

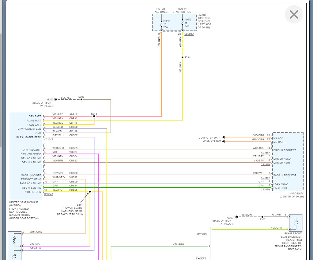
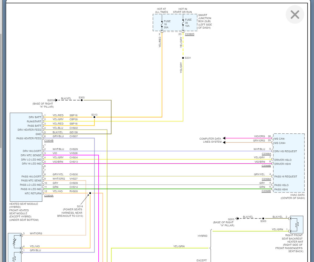
I am attaching the wiring diagrams below and that will help with checking the voltage.

Please run through this and let us know what you find.

Thanks
Jan 27, 2022 at 12:48 PM