Heated seat swap

2002 PONTIAC GRAND PRIX
130,000 MILES • 3.8L • V6 • 2WD • AUTOMATIC
Avatar
SETTERGRENH
  • MEMBER
  • 80 POSTS
My 2002 Grand Prix does not have heated seats but my 2000 Grand Prix parts car does. would there be a plug somewhere for the heated seats in my 2002? if so where would it be?
Feb 24, 2021 at 3:06 PM
Advertisement
Avatar
JACOBANDNICKOLAS
  • CERTIFIED EXPERT
  • 110,175 POSTS
Hi,

When the vehicles are manufactured, different wiring harnesses are used. Also, the Grand Prix will not have the power supply or control module for it.

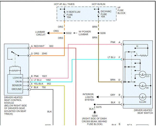
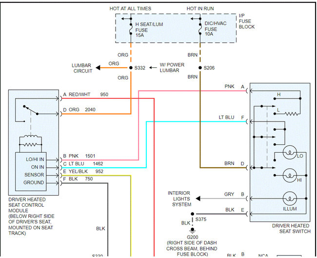
I won't say it couldn't be done, but it will take a lot of work. What I've done is attach the wiring schematic for the heated seat circuit in a 2002 Grand Prix. Take a look through it and see if it is something you want to perform.

Note: I cut the original wiring schematic in two so it is easier to read. I did overlap the two pics so you can follow them.

________________________________

Let me know if you have other questions.

Take care and God Bless,

Joe



Feb 24, 2021 at 8:50 PM