Heater blows hot at idle and cold while driving

1990 CHEVROLET 1500
80,000 MILES
Avatar
CHEVYBOY317
  • MEMBER
  • 7 POSTS
When I idle my heater is hot. When I am driving down the road it blows cold. Any suggestions? New thermostat. Will a bad clutch fan make it do that?
Nov 25, 2017 at 5:44 PM
Advertisement
Avatar
HARRY P
  • CERTIFIED EXPERT
  • 2,292 POSTS
No the clutch fan should not do that. When you put the thermostat in, did you bleed the cooling system? Air in the cooling system will cause this to happen.

To bleed the system, take the radiator cap off. Start the engine and turn the heat on full blast. Then go to the front of the truck and watch the coolant level in the radiator. When the level drops, pour coolant in there until it is full. Keep doing this for at least fifteen minutes, being sure to top it off as quickly as you can when the coolant level drops.

Do that and let us know.
Nov 25, 2017 at 6:32 PM
Avatar
CHEVYBOY317
  • MEMBER
  • 7 POSTS
Soon as it goes down it comes right back up.
Nov 26, 2017 at 8:05 AM
Advertisement
Avatar
CHEVYBOY317
  • MEMBER
  • 7 POSTS
I think I need another bigger thermostat my gauge is only reading a little under 190 should be at least 210.
Nov 26, 2017 at 3:46 PM
Avatar
HARRY P
  • CERTIFIED EXPERT
  • 2,292 POSTS
That is not being caused by your thermostat. Your thermostat should be fully open at 195, if it is a stock thermostat. The coolant will still warm to 210, but if it is getting around 190 then you should be getting good consistent heat. Getting the engine twenty degrees warmer will just warm the heat that much more. The fact that it goes down and comes back up illustrates that there is air in the system. Every time it goes down, immediately top it off before it comes back up. Once you do that it should help you out.

It also might help to flush the heater core. You would just take the hoses off, connect your water hose to one of the hoses, and turn it on, just with low pressure to start with. Once the water starts coming out clean, turn up the pressure. Do this for a few minutes. Then put everything back together and bleed the cooling system again.
Nov 26, 2017 at 6:34 PM
Avatar
HARRY P
  • CERTIFIED EXPERT
  • 2,292 POSTS
Oh! I was just thinking, being that your truck is a 1990, the actuators for the HVAC system are vacuum driven. A leaking vacuum line or vacuum ball could cause this type of fluctuation. In fact, it is pretty likely that it is your problem. Check this article out: https://www.2carpros.com/articles/how-to-use-an-engine-vacuum-gauge

Look around for leaking vacuum lines. You might have to get a little dirty, but check everywhere. Let us know what you find.
Nov 26, 2017 at 6:39 PM
Avatar
CHEVYBOY317
  • MEMBER
  • 7 POSTS
The actuators electronic but even with the water coming back up running over keep putting water in right.
Nov 27, 2017 at 1:28 AM
Avatar
HARRY P
  • CERTIFIED EXPERT
  • 2,292 POSTS
Ah you are right! It is electronic, not vacuum driven, which is a little surprising to me. Anyways, yes, keep filling it until the level stops dropping. If doing that and flushing the core does not work, you may be looking at a problem with the blend door itself.
Nov 27, 2017 at 2:52 AM
Avatar
CHEVYBOY317
  • MEMBER
  • 7 POSTS
Okay, but I have checked blend doors both of those work fine.
Nov 27, 2017 at 2:54 AM
Avatar
HARRY P
  • CERTIFIED EXPERT
  • 2,292 POSTS
Your truck only has one blend door. But if you checked it and it is moving properly and not flapping back and forth or being easily movable by hand, then it is not the problem.
Nov 27, 2017 at 2:59 AM
Avatar
CHEVYBOY317
  • MEMBER
  • 7 POSTS
Yea I was referring to the actuator under the dash and the blend door behind the glove box.
Nov 27, 2017 at 3:01 AM
Avatar
HARRY P
  • CERTIFIED EXPERT
  • 2,292 POSTS
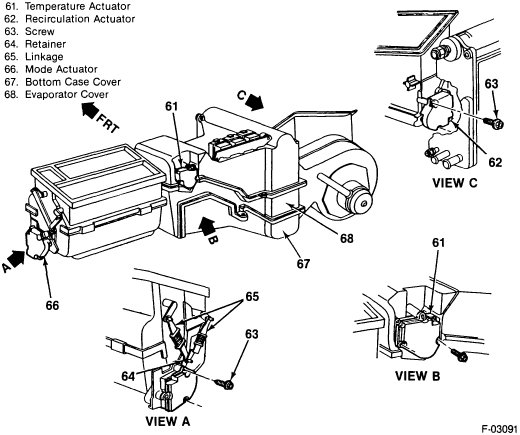
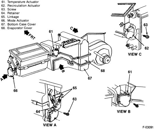
Okay, I am posting a diagram here. As long as you checked 61 then it should be okay. I have got to go to work now, so I will not be back online until tonight.
Nov 27, 2017 at 3:11 AM
Avatar
CHEVYBOY317
  • MEMBER
  • 7 POSTS
It's still doing the same thing water goes up and down I did notice my radiator hose is never tight nor does my heater hoses get home warm but not hot
Dec 31, 2017 at 3:44 PM
Avatar
HARRY P
  • CERTIFIED EXPERT
  • 2,292 POSTS
Hmmm have you tried flushing your heater core? You'd simply take the hoses off where they connect to the engine. Point one somewhere where it won't get any electronic wet. Take the other hose and connect your water hose to it (you might have to be creative). Turn the water on low pressure and let it go for a minute. You might see some mud come out for a minute. Then crank the pressure up and let it run for a few minutes. Turn off the water, hook the hoses back up, start the truck, and bleed the system.
Dec 31, 2017 at 7:47 PM