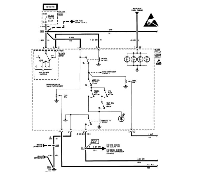
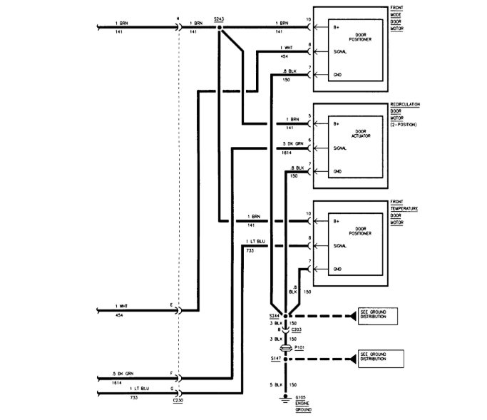
I was wondering if it is possible to repair a faulty heater control switch, rather than replacing it? Sometimes the heater won't turn on and I have to crank it all the way up and down rapidly a few times to get it to blow. It usually will turn on, but it quit totally on me yesterday and a new one is pretty speedy. Junkyards have been picked over already, so that isn't really an option. Any help would be greatly appreciated.
Jan 12, 2019 at 5:57 AM


