Car will not start but I can hear a clicking sound

1999 PONTIAC FIREBIRD
144 MILES • V6 • 2WD • AUTOMATIC
Avatar
VAUGHNA93
  • MEMBER
  • 1 POST
My car was just working fine. Went in the house for about an hour, went back out to the car to leave and it would not start. I have turned the key but the lights and everything came on. So I have changed the battery and starter and the car still will not start. It is making a clicking noise.
Apr 8, 2018 at 3:11 PM
Advertisement
Avatar
STRAILER
  • CERTIFIED EXPERT
  • 53,855 POSTS
The sounds would be better if you can make a video and upload it here in your reply.

I want to say it sounds like you need to put a breaker bar on the front of the engine to make sure it is not locked up.

Is it loud click or many is it loud or quite? If its a little click there is a starter relay that needs to be checked. Here is a guide:

https://www.2carpros.com/articles/how-to-check-an-electrical-relay-and-wiring-control-circuit

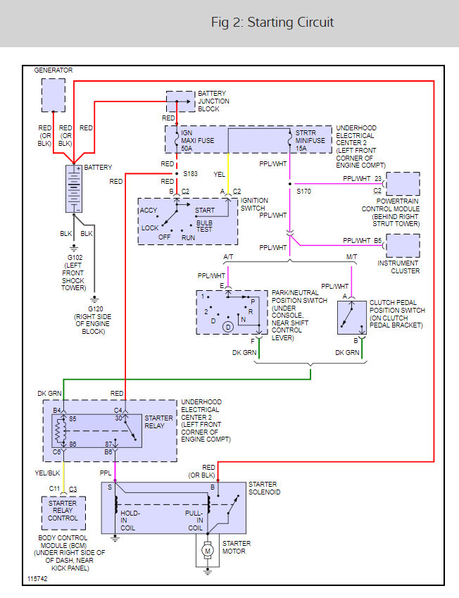
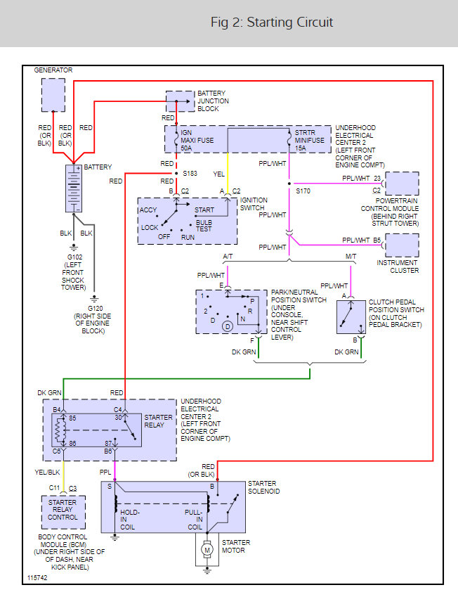
Below is the relay location.

Check out the diagrams (below).

Please let us know what you find.

Cheers, Ken

Apr 10, 2018 at 11:22 AM