Alternator wiring issue?

2001 MERCEDES BENZ ML320
23,000,000 MILES • 3.2L • AUTOMATIC
Avatar
OLDMAN1954
  • MEMBER
  • 1 POST
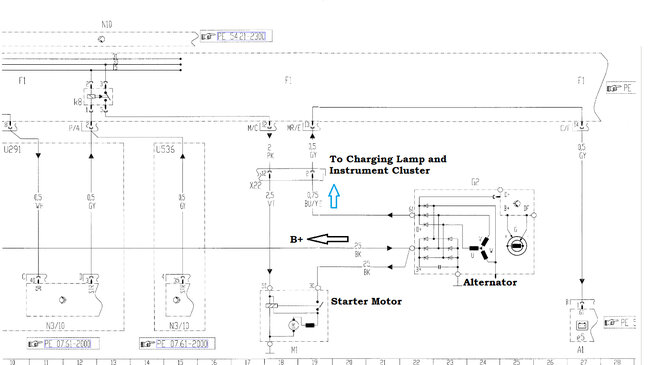
So. you know how you put in an alternator in the vehicle listed above, well I got it in but then when it came down to the wires that you hook on the back of it I have two posts on the back of the alternator two different sizes of post one is a skinny one and one is a fat one. Then I got a little 10-gauge wire. I realized the 10-gauge wire goes on the skinny post, but then I got one cable coming from the battery and one cable coming from somewhere else. I imagine it's the engine or whatever, I don't know. Where do they go? Are those two cables the big ones? Do they meet up in the same post or are they separate? and one of them goes with the 10 gauge and the other one goes with the other post. I don't remember for the life of me, I guess that's all part of getting old. Can somebody please help me?
Jul 15, 2023 at 6:59 AM
Advertisement
Avatar
AL514
  • CERTIFIED EXPERT
  • 5,465 POSTS
Hello, these vehicles are definitely difficult to work on, right along with BMW and Jag. Do you have 2 black wires and 1 blue or grey wire? The blue or grey being the smaller gauge? According to service info, which is all I have to follow. There looks to be 2 black wires on one stud, 1 black wire runs to the Battery positive and the other runs to the Starter motor. Since you have the wires unhooked right now, you could verify the other wire runs to the starter motor by just doing an Ohms (continuity) check from the black wire to the Starter motor which should have the same black higher gauge wire running to it. Since you know the other runs to the battery already. I will post both the OEM and aftermarket diagrams for you to have, just in case.
Jul 15, 2023 at 11:48 AM