No power to interior lights

2004 NISSAN XTERRA
100,000 MILES • 3.3L • 6 CYL • 2WD • AUTOMATIC
Avatar
TRAVISBEN91
  • MEMBER
  • 3 POSTS
Okay, so I was giving this vehicle for some work I did. It was stolen from previous owner. Well when they got it back the ignition housing to key cylinder was bent to heck. Also the radio was stolen. I do not have original keys or fob. I've replaced from harness clip to the key. I have also replaced starter, and battery. I've replaced all fuses as well. I still can't get power to my interior lights at all done dash nothing. How can I get power to my dash? And is there a way to reset security system with it factory keys, fob, or radio?
Mar 21, 2019 at 5:25 AM
Advertisement
Avatar
SCGRANTURISMO
  • CERTIFIED EXPERT
  • 4,897 POSTS
Hello,

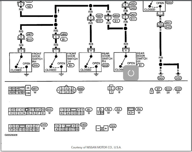
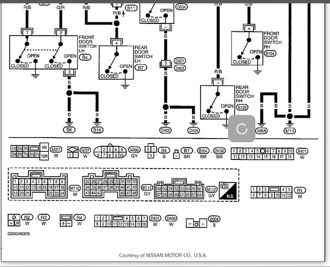
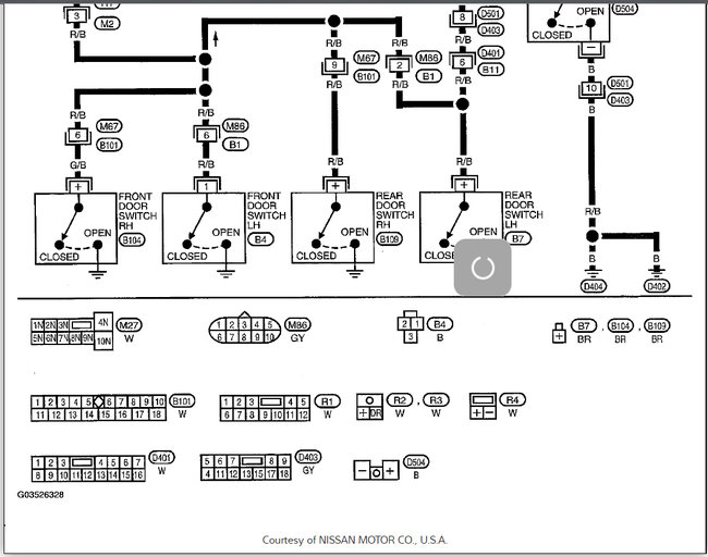
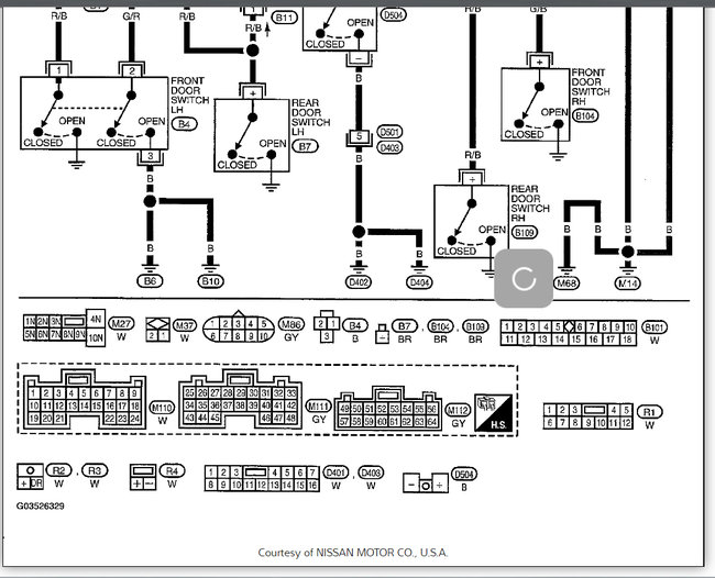
No. The only way to get car to start is to have a key made at the dealership or at a locksmith. This is a chipped key and was designed that way as an anti theft system. The dash illumination and the interior lights is a different story all together. Not only do I have how these system works, I've also got wiring diagrams and a step by step factory troubleshooting flowchart for both the illumination and the interior light systems for your vehicle in the diagrams down below. I wasn't sure if your vehicle had power door locks or not, so I included instructions for both of them. Please go through the flowcharts and get back to us with what you find out.

Thanks,
Alex
2CarPros
Mar 21, 2019 at 6:35 AM
Avatar
TRAVISBEN91
  • MEMBER
  • 3 POSTS
Okay, so it is a factory Nissan ignition with keys it was replaced with so I figured out how to get lights to the dash. But no starter kick. I how ever can get it going directly applying power. But it won't turn over when key turned forward. I swapped the relays around. Still nothing. Any way to put after market radio and input code I keep reading about?
Mar 21, 2019 at 5:08 PM
Advertisement
Avatar
SCGRANTURISMO
  • CERTIFIED EXPERT
  • 4,897 POSTS
Hello again,

It might be a factory ignition key and tumbler that it was fixed with but did that key get programmed to your vehicle's PCM? If the PCM does not recognize the chip in the key it assumes someone is trying to steal the car and will not signal the spark plugs or the fuel injectors.

Thanks,
Alex
2CarPros
Mar 21, 2019 at 11:41 PM
Avatar
TRAVISBEN91
  • MEMBER
  • 3 POSTS
I'm looking through the book that it came with no where.
Mar 22, 2019 at 12:42 PM
Avatar
STRAILER
  • CERTIFIED EXPERT
  • 53,855 POSTS
Does the security light flash when you are trying to start it? Here is a guide that will help you reset the security system:

https://www.2carpros.com/articles/how-to-reset-a-security-system

Please run down this guide and report back.
Mar 25, 2019 at 11:29 AM