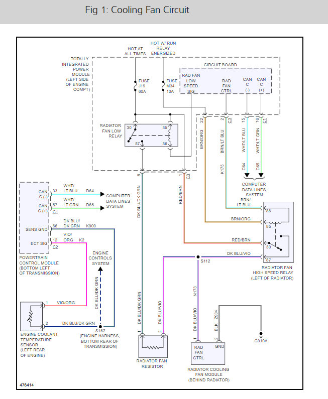
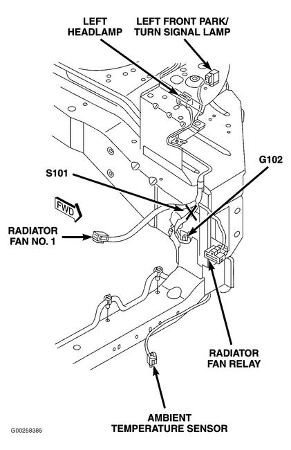
The high fan doesn't work. I replaced the radiator fan fuse and it worked for a day. the fuse is no other blown and the low fan works. Is there a high radiator fan relay and if there is, where is it located?
Oct 22, 2019 at 9:49 AM































