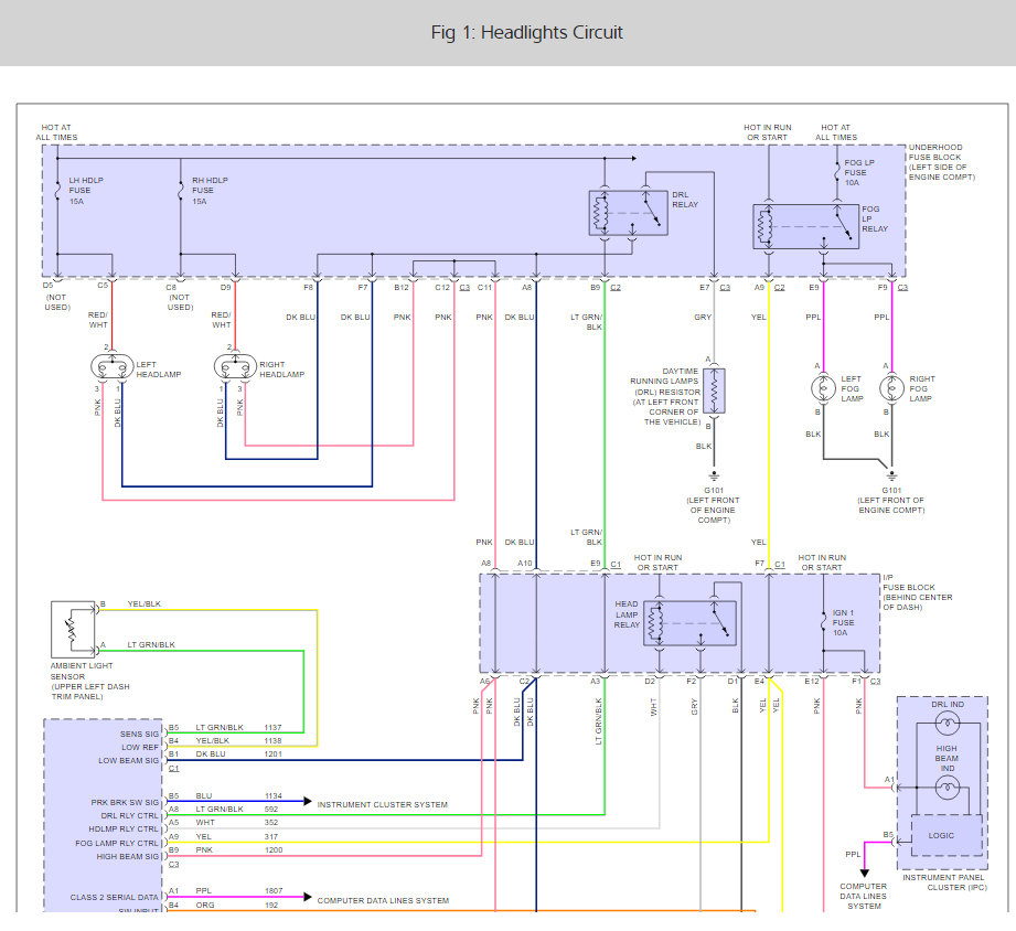
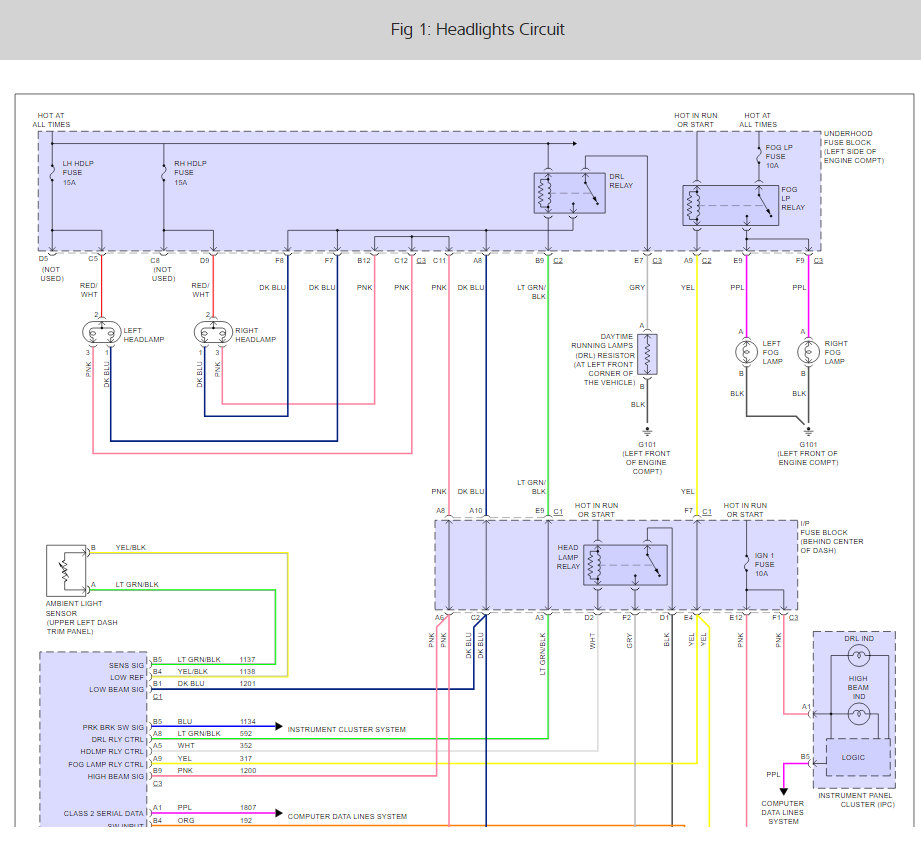
HID lights will not work high beams work. just bought new ballistic boxes new lights and they still will not work tested them before I bought they worked perfectly. get home and plug on they would not. can anyone help me out please and thanks?
I have three wires coming out my light socket. Im putting in hids just bought everything brand new well the problem is only high beams work not my color I tested it and it's getting power I just thinks not enough power I guess
I have three wires coming out my light socket. Im putting in hids just bought everything brand new well the problem is only high beams work not my color I tested it and it's getting power I just thinks not enough power I guess
Jul 26, 2017 at 8:38 PM

