Hi,
I looked through the wiring schematic for your vehicle. Based on what I'm seeing, either the high beam bulbs are burned out, there is a wiring issue, a light socket issue, or DRL module has failed.
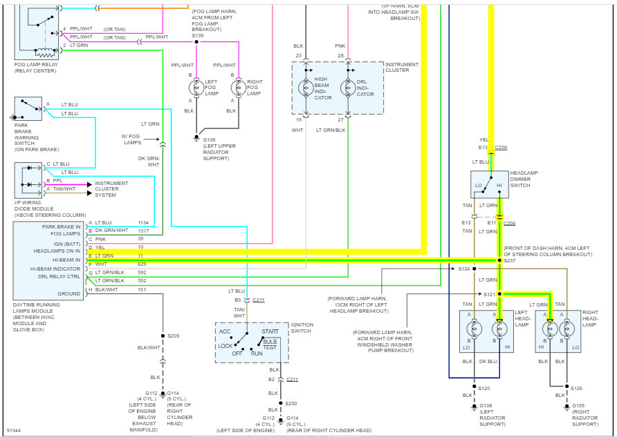
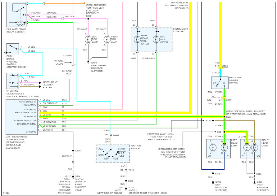
I attached the schematic below for the lamp circuit and highlighted the wires related to the high beam. What I need you to do is this. Disconnect the light connector on each side. Locate the light green wire one at a time in the connector and check if it has power with the high beam on. Do this and let me know what you find. Also, here is a link you may find helpful:
https://www.2carpros.com/articles/how-to-check-wiring
Also, let me know if the high beam indicator light turns on.
Let me know what you find or if you have questions.
Take care,
Joe
See pic below. Note: I cut the schematic in half to make it readable for you. I did overlap them so you can follow from one to the next.
Images (Click to enlarge)
Aug 16, 2022 at 9:01 PM