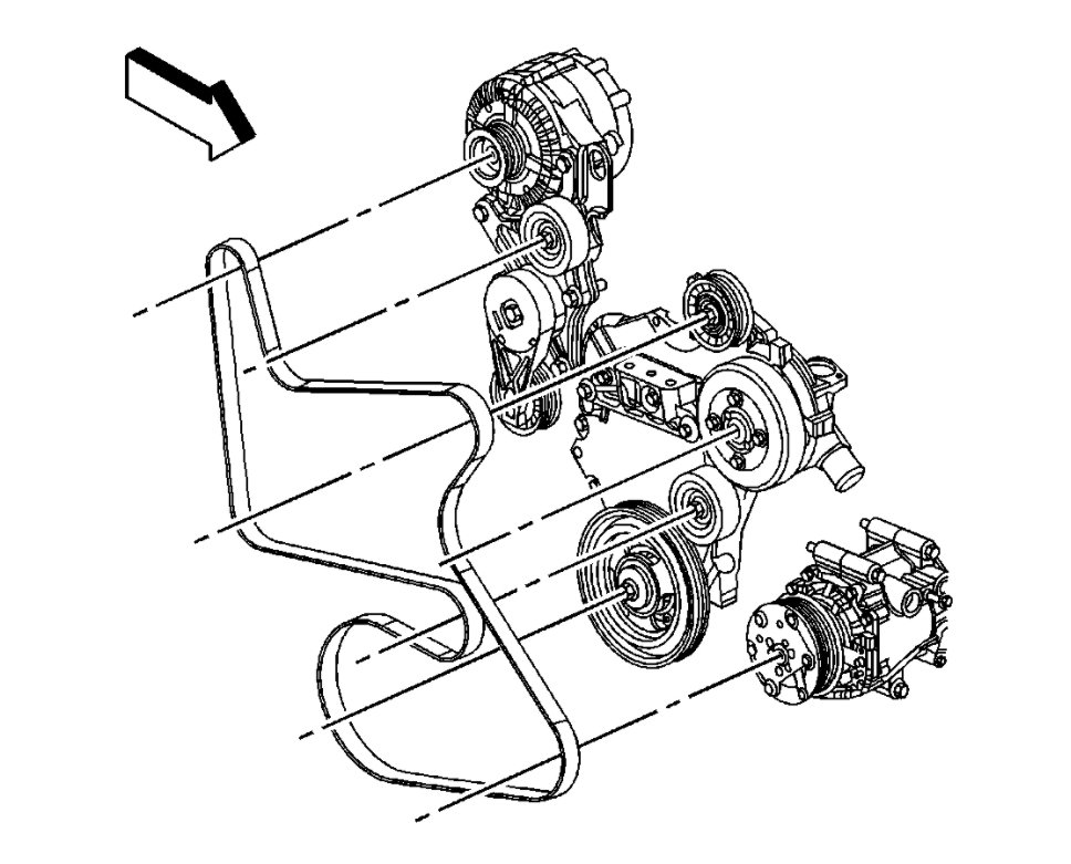
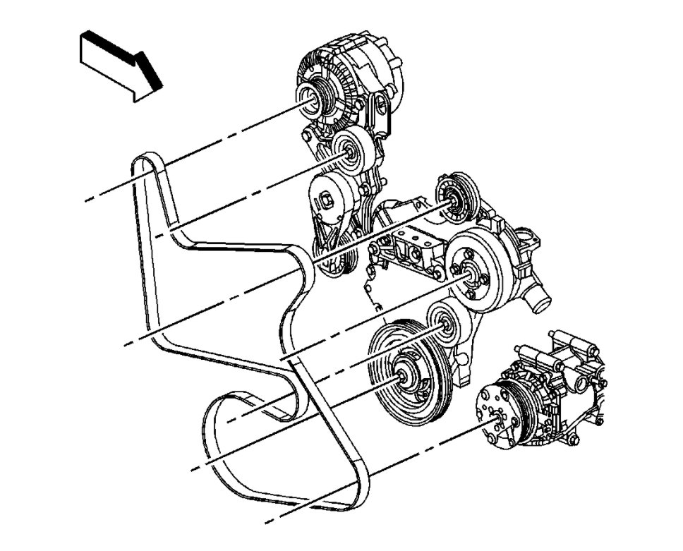
I replaced the head gaskets and all the gaskets above and when i start it it has a high pitched whining noise. I replaced all the idler pulleys the water pump and the tensioner and had the alternator check but its still doing it.
Mar 14, 2021 at 1:15 PM

