High beams not working

2006 PONTIAC GRAND PRIX
175,000 MILES • 3.8L • 6 CYL • 2WD • AUTOMATIC
Avatar
ROAD67
  • MEMBER
  • 22 POSTS
High beams are not working.
Mar 3, 2021 at 7:54 PM
Advertisement
Avatar
DANNY L
  • CERTIFIED EXPERT
  • 5,648 POSTS
Hello, I'm Danny.

The first thing I would check is the high beam relay. Here is a tutorial showing how to test relays:

https://www.2carpros.com/articles/how-to-check-an-electrical-relay-and-wiring-control-circuit

The high beam relay is located in the under hood fuse box in location # 34. I've attached a picture below and circled in red. Hope this helps and thanks for using 2CarPros.
Mar 3, 2021 at 10:53 PM
Avatar
ROAD67
  • MEMBER
  • 22 POSTS
All relays are good, bulbs good, fuse good. all ground wires under hood clean. new multifunction switch.the high beam Indicator comes on in the dash.
Mar 4, 2021 at 5:59 AM
Advertisement
Avatar
DANNY L
  • CERTIFIED EXPERT
  • 5,648 POSTS
Hello again.

If all the fuses, relays, and new multi-function switch are in working order then it sounds like you have a wiring issue. Here is a tutorial on how to test wiring:

https://www.2carpros.com/articles/how-to-check-wiring

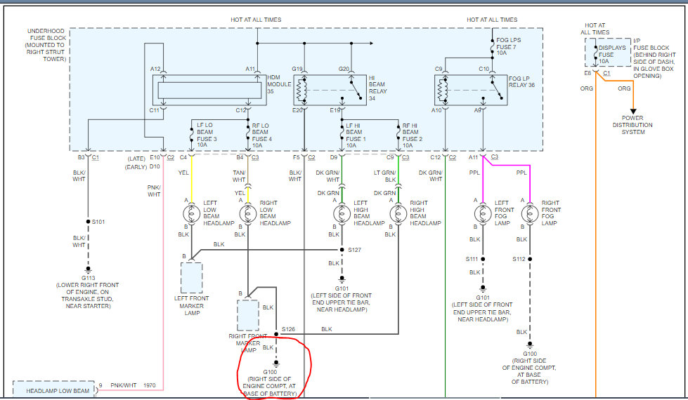
I've attached a picture wiring diagram below of your exterior lighting system for your car. I've cut the picture into 3 pieces so you can view larger. I would first check the ground that I've circled in red as a start .Check to see if the connection is not damaged, loose, corroded, or otherwise faulty. Let us know what you find and we'll go from there. Hope this helps and thanks again for using 2CarPros.

Danny-

Mar 8, 2021 at 3:04 PM