Hi,
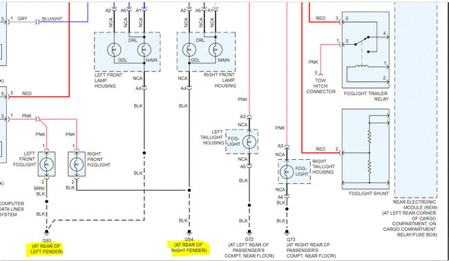
If you confirmed there is power to them and they are good, there are two others we need to check and confirm are good. See pic 1.
Do the same with them. Make sure there is power to them and out from them.
If there is power, then go to the light sockets and check for power. If there is power and the lights don't work, then we have either a bad socket or bad ground.
There are two grounds, one for each side. I highlighted them in pic 2. The easiest thing to do is to check the black wires at the sockets for continuity to ground. Basically, you are checking to see if there is a break in the wire or no connection. Here is a link you may find helpful. If you find there is no continuity, then you will need to locate the wire at the grounding locations indicated and determine if it is broken or corroded.
https://www.2carpros.com/articles/how-to-check-wiring
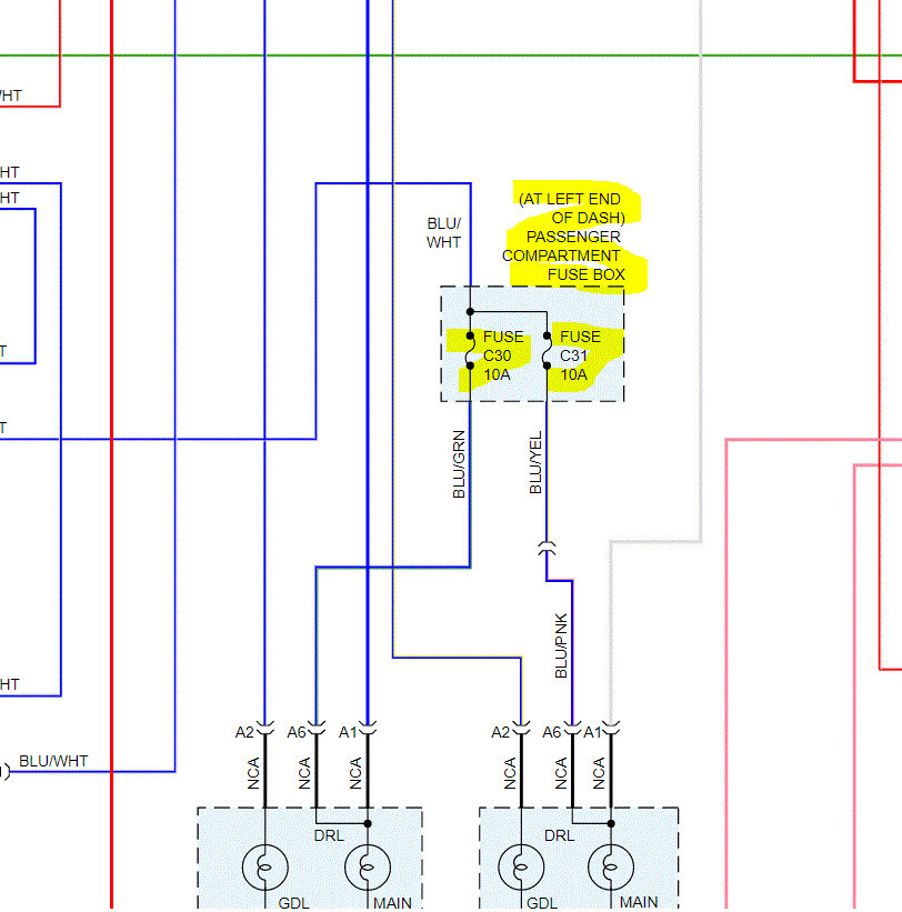
Pic 3 shows the other two fuses' locations.
Again, in addition to the fuse condition, make sure there is power to it.
Let me know what you find.
This will become progressively more involved. If you have questions, please let me know.
Take care,
Joe
Images (Click to enlarge)
Dec 25, 2020 at 9:54 PM