Heater core?

1999 HONDA ACCORD
190,000 MILES • 4 CYL • FWD • AUTOMATIC
Avatar
JERRY BENEDICT
  • MEMBER
  • 1 POST
I have a 99 honda accord and the heat works a little bit. It blows fine but not very warm. Is there anything i can do to check the heater core and see if it is not blocked. I want to flush the coolant is there a good product to use to flush the systems thank
Jan 7, 2009 at 2:17 PM
Advertisement
Avatar
KHLOW2008
  • CERTIFIED EXPERT
  • 41,814 POSTS
Hi Jerry,

It is not necessary and I would not recommend any radiator flush if there is coolant in the system now.

When heater is not functioning correctly, you should check the hoses to the heater core and ensure both are hot when in operations.
It could be due to the vacumn solenoid or hoses that are causing the heater valve not to open fully.
Jan 11, 2009 at 8:38 AM
Avatar
GARY C.
  • MEMBER
  • 2 POSTS
Hello guys, I own a 97 Explorer with 83k on it. Heat worked last winter, but nothing now. I replaced the Thermostat thinking it was stuck, still no change. Temperture guage seems to be working but the level is lower than normal. I removed the heater core lines and flushed with garden hose, that doesn't seem to be plugged. My final thought is the door in the heater box might be stuck or broke (it is common for this year according to reports). Is there anyway to check that? in addition, could you let me know the exact location of the heater box. I'm assuming it's under the pass. dash. Any information would be helpful.
Oct 10, 2020 at 9:55 AM (Merged)
Advertisement
Avatar
NOS
  • CERTIFIED EXPERT
  • 320 POSTS
you are right about the location of heater box.out under the hood there is a vaccum line that comes from the vaccum canister into the cab if that line is broken it won't let the doors work check that first.(NOS)
Oct 10, 2020 at 9:55 AM (Merged)
Avatar
TURNERJR
  • MEMBER
  • 1 POST
Can not determent whats leaking, but the passenger side floorboard is wet and the heater core sits behind the center console and the evaporator is to the of it. HELP!
Oct 10, 2020 at 9:56 AM (Merged)
Avatar
MHPAUTOS
  • CERTIFIED EXPERT
  • 31,937 POSTS
Hi there,
Does this smell of coolant? get the cooling system pressure tested and have the condenser drain tube check for blockage, if the coolant level is low it will be a heat core problem, but have the pressure test to make sure.

Mark (mhpautos)
Oct 10, 2020 at 9:56 AM (Merged)
Avatar
OLYELLOW4D
  • MEMBER
  • 2 POSTS
I am in process of changing the heater core and have removed all parts of the dash, etc to access the heater core. It appears that i need to totally remove the center HVAC box to remove the heater core, but i can't see what is yet holding the internal box in place. Heater hoses etc are also already removed and there doesn't appear to be anything holding the heater box to the firewall, but i can't determine how to remove it. Any tricks, or schematic available?


https://www.2carpros.com/forum/automotive_pictures/456979_HPIM5246_2.jpg

Oct 10, 2020 at 9:56 AM (Merged)
Avatar
OLYELLOW4D
  • MEMBER
  • 2 POSTS
If you are reading this, i am answering my own question, hopefully it helps someone else!

To replace the heater core you must remove dash, crossmember, and all that you saw in the picture (probably a 7 hour job for a mechanic, per local garage, for me a 10 hr job). Trick to removing the actual heater ductwork is to loosen the AC unit, then on the inside there is 1 bolt on upper side of unit (drivers side) and then in the engine compartment there are 2 nuts to remove about 3" below the heater core, one on drivers side and 1 on passenger side. If you are reading this hopefully this helps. Good luck in reassembly!
Oct 10, 2020 at 9:56 AM (Merged)
Avatar
MAXIMAMAN117
  • MEMBER
  • 1 POST
My mechanic told me the job calls for over 8 hours to replace heater core in my girlfriends car. I'm willing to give it a whirl, as im not trying to blow $700, if i have proper instructions. The haynes manual is very basic and general. Just wondering if you had any further recommendations for a better set of instructions. I am an auto body tech so i have good knowledge but not so much with this. Thanks.
Oct 10, 2020 at 9:56 AM (Merged)
Avatar
SATURNTECH9
  • CERTIFIED EXPERT
  • 30,869 POSTS
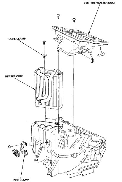
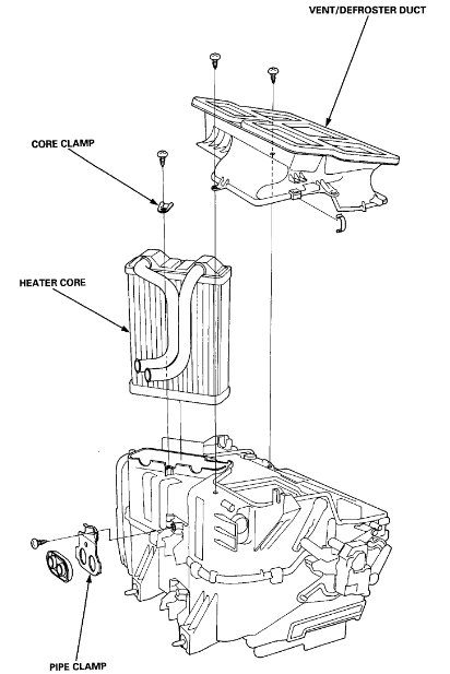
HEATER CORE REPLACEMENT NOTE: The heater core can be removed without removing the heater assembly. 1. Drain coolant at the radiator. 2. Remove evaporator (air conditioned models). 3. Remove the heater pipe cover and heater pipe clamp. 4. Remove the heater core retaining plate. 5. Pull out the cotter pin of the joint hose clamp and separate the heater pipes. NOTE: Coolant will run out when the heater pipes are disconnected; drain it into a clean drip pan. 6. Pull out the heater core from the heater housing. 7. Install in reverse order of removal, and: o Replace the joint hose clamps with new ones. o Turn the cotter pin of the joint hose clamps securely to prevent coolant leakage. o Loosen the bleed bolt on the engine and refill the radiator and reservoir tank with the proper coolant mixture. Tighten the bleed bolt when the trapped air has escaped and coolant begins to flow from it. EVAPORATOR REPLACEMENT 1. Disconnect the battery negative terminal. 2. Recover the refrigerant. 3. Disconnect the receiver line and suction hose from the evaporator. CAUTION: Cap the open fittings immediately to keep moisture and dirt out of the system. 4. Remove the grommets. 5. Remove the glove box and its frame by removing the 5 screws and 1 bolt. 6. Loosen the right sealing band and slide it to the left. 7. Remove the screw in the outside air door diaphragm (leave the diaphragm attached to the air door arm) and the blower mount bolts, then remove the blower. 8. Remove the left sealing band and disconnect the wire. 9. Remove the three bolts and remove the evaporator. 10. Install the evaporator in the reverse order of removal. o If a new evaporator, add 30 cc of refrigerant oil to it before charging. o Remember to install the left sealing band and tighten the right band securely to prevent air leaking past the joint. o Apply sealant to the inside and outside mating surfaces of the receiver line and suction hose grommets. o Charge the system. o Test performance.


https://www.2carpros.com/forum/automotive_pictures/416332_1985_honda_accord_evap_part1_1.jpg


https://www.2carpros.com/forum/automotive_pictures/416332_1985_honda_accord_evap_part2_1.jpg

That's what i have.
Oct 10, 2020 at 9:56 AM (Merged)
Avatar
LAUPE2006
  • MEMBER
  • 1 POST
when I turn on my fan ,i can smell a strong smell of urine. is this a trouble on the heater core.how difficult is replacing the heater core for this vehicle. and how long will take thanks for advice
Oct 10, 2020 at 9:56 AM (Merged)
Avatar
KHLOW2008
  • CERTIFIED EXPERT
  • 41,814 POSTS
Hi laupe2006,

Check if you are losing coolant, if not, it should not be the heater core.

Most probably it is the evaporator from the AC. It might have been contaminated by fresheners that you have use in the car.

To remove the heater core you need to remove the dash assy and it would take quite some time, sorry I don't have the FRT.
Oct 10, 2020 at 9:56 AM (Merged)
Avatar
BREWALLIS
  • MEMBER
  • 1 POST
Just bought a 94 accord lx 2.2 vtech auto that someone else had begun to replace the heater core on and gave up after completely tearing the car apart. What a mess! Got it all put back together now. A person (that apparently didn't have a clue what the were doing) had "helped" however only ended up creating more issues. The throttle body was bolted to the manifold the wrong way and vacumn, fuel and coolant lines were crossed everywhere. I tried to fix as much as I could, but am at a loss. There is air leaking between the throttle body and manifold now and a coolant leak from a hose that needs replacing. The car starts and runs, but in park has a surging idle from 1000rpm to 3000rpm. It also has a faint fuel smell and is getting horrible mpg. Drove the car for about 20 mins and then the speedo, rpm, temp and gas gauges all stopped working as well as the light that lights up around whichever gear your in. I could tell the car was running hot so I parked it for the evening and walked away. The next day I tried to start but it took several attempts and then immediately after starting the idle dropped and the car died almost as if it was out of gas. There was a thick whitish smoke coming out of the exhaust at this time. Any ideas? Please help!
Oct 10, 2020 at 9:56 AM (Merged)
Avatar
CARADIODOC
  • CERTIFIED EXPERT
  • 34,308 POSTS
White smoke from the exhaust is a sign of burning engine coolant. Normally that's due to a leaking cylinder head gasket, but given all the other things you described, it's more likely coolant is leaking in through the intake manifold. It sounds like it leaked in slowly overnight.
Oct 10, 2020 at 9:56 AM (Merged)
Avatar
WILLIE2020
  • MEMBER
  • 1 POST
Leaking heater core. I need the steps to remove and replace the heater core.
Oct 10, 2020 at 9:56 AM (Merged)
Avatar
DANNY L
  • CERTIFIED EXPERT
  • 5,648 POSTS
Hello, I'm Danny.

Here is a tutorial showing a basic remove/replace of a heater core:

https://www.2carpros.com/articles/replace-heater-core

I've attached step-by-step pictures below for your Honda Accord.Hope this helps and thanks for using 2CarPros.

Danny-
Oct 10, 2020 at 9:56 AM (Merged)
Avatar
WILLIE2020
  • MEMBER
  • 1 POST
Thanks Danny! I have no lines at the back as per illustration #7? Your thoughts? Is it leaking there? I redid all hoses and back flush Med core before putting back together!
Thanks, Will
Oct 10, 2020 at 9:56 AM (Merged)
Avatar
EVAN KIDD
  • MEMBER
  • 1 POST
Leaking radiator fluid under drivers seat as soon as you fill it up.
Oct 10, 2020 at 9:56 AM (Merged)
Avatar
BMDOUBLE
  • CERTIFIED EXPERT
  • 1,139 POSTS
sounds like you have a failed heater core. The dash will have to be removed and the plenum removed to access this. Check out the diagrams (Below). Please let us know if you need anything else to get the problem fixed.
Oct 10, 2020 at 9:56 AM (Merged)
Avatar
PWCOHARRINGTON
  • MEMBER
  • 2 POSTS
'93 Honda Accord; 178,500 miles. Coolant dripping around passenger side firewall/heater core area. Put the car on ramps and found an open-ended tube the coolant is dripping out of. The open-ended tube is traced to an opening in the firewall and seems to go into the heater core are. The open end is at the bottom of the car. Is this some feature in case the heater core is leaking? Confused in Colorado. Thanks
Oct 10, 2020 at 10:03 AM (Merged)
Avatar
BRUCE HUNT
  • CERTIFIED EXPERT
  • 3,754 POSTS
I am sending you some info on heater core and how to do the job. Yes I believe that is a drain.
Oct 10, 2020 at 10:03 AM (Merged)
Avatar
PWCOHARRINGTON
  • MEMBER
  • 2 POSTS
After talking to the Honda dealer I realize that the drip and tube I found is the Evaperator drain tube and it was just dripping water from the Evaperator/ac system. No worries. It was the evaperator taking humidity out of the car and draining the water via the drain tube. It wasn't coolant afterall. Sorry for the false alarm.
Oct 10, 2020 at 10:03 AM (Merged)
Avatar
BRUCE HUNT
  • CERTIFIED EXPERT
  • 3,754 POSTS
That is good news and a savings of a lot of dollars.
Oct 10, 2020 at 10:03 AM (Merged)
Avatar
LISAOLGUIN
  • MEMBER
  • 1 POST
how to replace a heater core
Oct 10, 2020 at 10:03 AM (Merged)
Avatar
KHLOW2008
  • CERTIFIED EXPERT
  • 41,814 POSTS
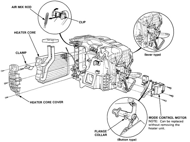
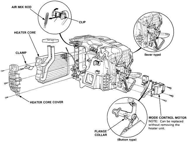
HEATER ASSEMBLY & HEATER CORE
Removal
1. Drain radiator coolant. Place drip pan under heater hoses. Disconnect heater hoses at firewall. Disconnect heater valve cable from heater valve.

2. Remove instrument panel. Remove heater duct. Remove instrument panel support bracket. Disconnect control cables from heater.

3. Remove heater assembly nuts. Disconnect wiring harness from heater assembly. Pull heater assembly away from body, and remove heater assembly. Remove heater core cover screws, and remove heater core.


Installation
To install, reverse removal procedure. Apply sealant to grommets.
DO NOT interchange inlet and outlet heater hoses. Secure hose clamps. Loosen radiator bleed bolt. Fill radiator and reservoir tank with coolant. Tighten bleed bolt after trapped air has escaped. Adjust cables as necessary.
Oct 10, 2020 at 10:03 AM (Merged)
Avatar
BOX5
  • MEMBER
  • 1 POST
Heater problem
1990 Honda Accord 4 cyl Two Wheel Drive Automatic

have air blowing out defrost and vents put no heat.. inlet and outlet of heater core are hot when up to running temp,checked fuse,
Oct 10, 2020 at 10:03 AM (Merged)
Avatar
TWINSRAM
  • MEMBER
  • 42 POSTS
Even though the inlet and outlet of the core get hot, that does not nessasarily mean the core is good. The inlet and outlet could be getting hot due to engine temp. If the core itself is not getting hot, Change it.
Oct 10, 2020 at 10:03 AM (Merged)